EasyManua.ls Logo

Arjo SARA PLUS - Dimensions

Arjo SARA PLUS
36 pages
Print Icon
To Next Page IconTo Next Page
To Next Page IconTo Next Page
To Previous Page IconTo Previous Page
To Previous Page IconTo Previous Page
Loading...
28
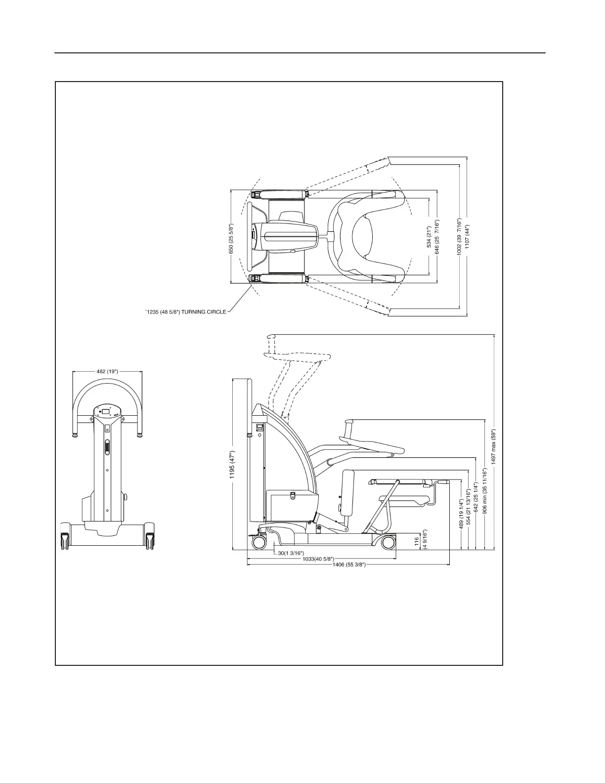
Dimensions
Sara Plus dimensions
Dimensions in millimetres (equivalent in inches)

Other manuals for Arjo SARA PLUS

Related product manuals