EasyManua.ls Logo

AuCom EMXAe - Page 28

Default Icon
92 pages
Print Icon
To Next Page IconTo Next Page
To Next Page IconTo Next Page
To Previous Page IconTo Previous Page
To Previous Page IconTo Previous Page
Loading...
INSTALLATION
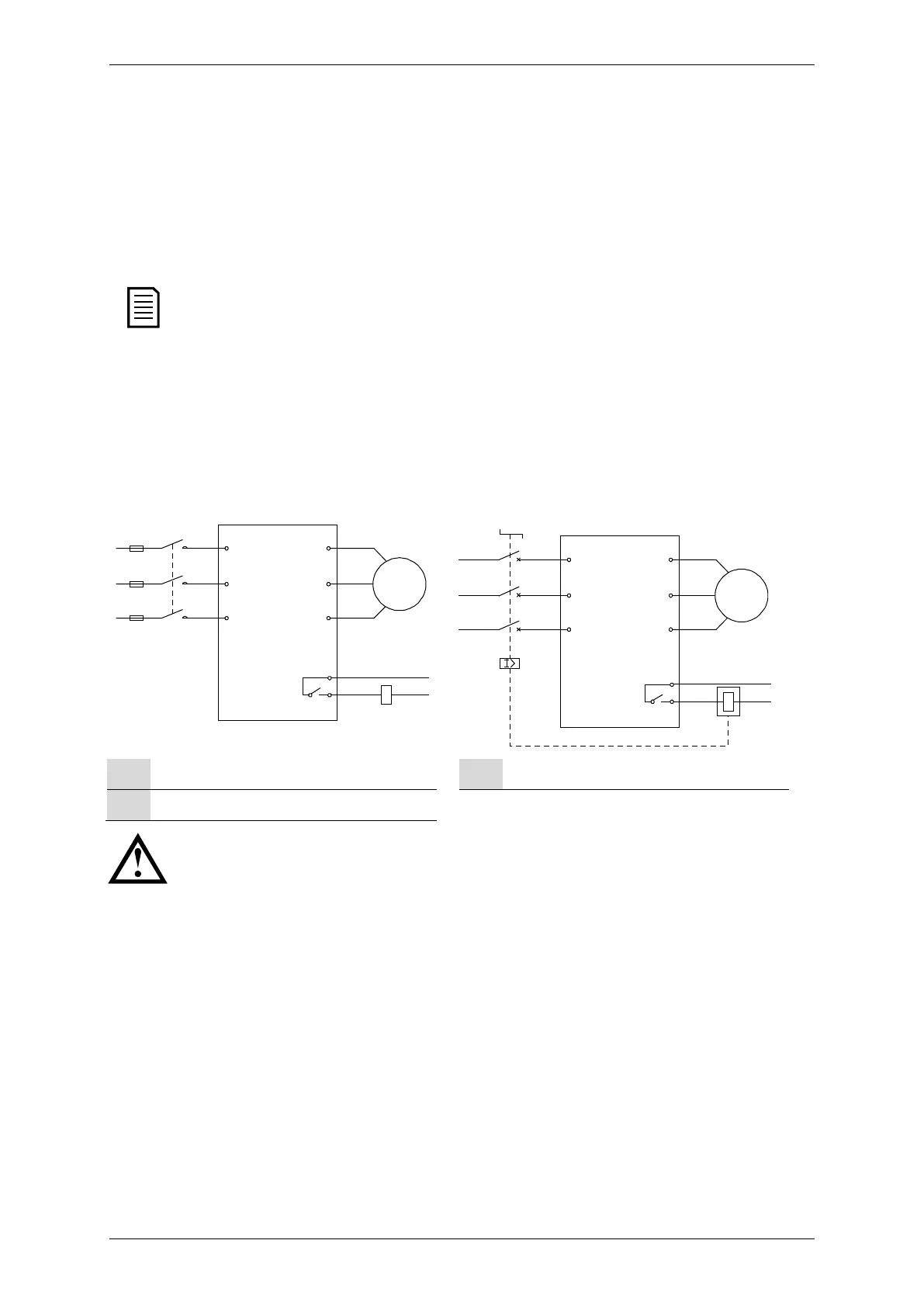
Main Contactor Output
The main contactor output (33, 34) closes as soon as the soft starter receives a start
command and remains closed while the soft starter is controlling the motor (until
the motor starts a coast to stop, or until the end of a soft stop). The main contactor
output will also open if the soft starter trips.
The main contactor output can also be used to control a shunt trip circuit breaker.
NOTE
Use parameter 20G
Shunt Trip Mode
to configure the soft starter for use
with a main contactor or circuit breaker.
For use with a main contactor, use the default setting of "Disable"
For use with a circuit breaker, set 20G to "Enable"
Soft starter installed with main
contactor
Soft starter installed with a shunt relay
and circuit breaker
6/T3
4/T2
2/T1
5/L3
3/L2
1/L1
M
33
34
K1F1
K1
22316.A
6/T3
4/T2
2/T1
5/L3
3/L2
1/L1
M
33
34
Q1
22317.A
F1
Fuses
Q1
Circuit breaker
K1
Main contactor
CAUTION
Some electronic contactor coils are not suitable for direct switching with
PCB mount relays. Consult the contactor manufacturer/supplier to confirm
suitability.
Programmable Outputs
The programmable outputs (41, 42, 44 and 53, 54) can report the status of the
starter, or can be used to control associated equipment.
The operation of the programmable outputs is controlled by parameters 8A~8F.
26 | EMX4e User Manual (710-18433-00C)

Table of Contents

Related product manuals