EasyManua.ls Logo

Avid Technology Pro Tools SYNC HD - Bi-Phase;Tach Optocoupler Input

Avid Technology Pro Tools SYNC HD
166 pages
Print Icon
To Next Page IconTo Next Page
To Next Page IconTo Next Page
To Previous Page IconTo Previous Page
To Previous Page IconTo Previous Page
Loading...
Chapter 8: Wiring Diagrams and Pin Assignments 73
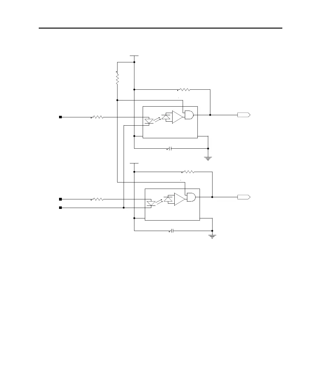
Bi-phase/Tach OptoCoupler Input
Bi-phase/Tach
XREF=13
BIPHB
XREF=13
BIPHA
XREF=9
BIPHA_I
XREF=9
BIPHB_I
U5
3
2
5
7
6
XREF=9
OPTRETURN
R79
R77
U6
3
2
5
7
6
R49
C27
C25
R47
R46
5V
GND
6N137_DP
IC, OPTOCOUPLER
320003987
DIP8
+
EN
-
GND
8
VCC
GND
1K
1K
6N137_DP
IC, OPTOCOUPLER
320003987
DIP8
+
EN
-
GND
8
VCC
5V
1K
0.1UF
0.1UF
634
634
GND_C

Table of Contents

Related product manuals