EasyManua.ls Logo

Bandit 20XP - Page 106

Bandit 20XP
126 pages
Print Icon
To Next Page IconTo Next Page
To Next Page IconTo Next Page
To Previous Page IconTo Previous Page
To Previous Page IconTo Previous Page
Loading...
Bandit
102
Copyright 12/17
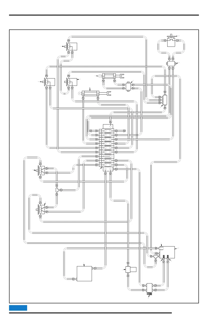
MODEL 20XP HYDRAULIC COMPONENTS
Parts may not be exactly as shown.NOTICE
TRACK MACHINE
A
B
A
B
A
B
A
B
A
B
A
B
A
A
B
A
B
P
T
D
A
2s
D
BA
2s
D
B
D
B
A
A
B
D
B
A
D
B
A
12
10
9
8
6
5
4
1
3
2
3
7
10
15
15
11
13
16
14

Related product manuals