EasyManua.ls Logo

Bluetti EP800 - Page 50

Bluetti EP800
80 pages
Print Icon
To Next Page IconTo Next Page
To Next Page IconTo Next Page
To Previous Page IconTo Previous Page
To Previous Page IconTo Previous Page
Loading...
JUST POWER ON50
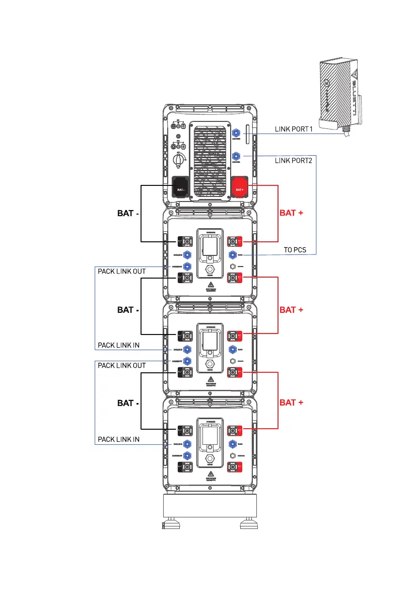
Fig. 6-8

Related product manuals