EasyManua.ls Logo

BMT 965 - Ozone Destruct

BMT 965
74 pages
Print Icon
To Next Page IconTo Next Page
To Next Page IconTo Next Page
To Previous Page IconTo Previous Page
To Previous Page IconTo Previous Page
Loading...
OZONE ANALYZER BMT 965 Manual, Rev. 01/2024
___________________________________________________________________________
48
M965_001_EN_2023
-
11
-
01
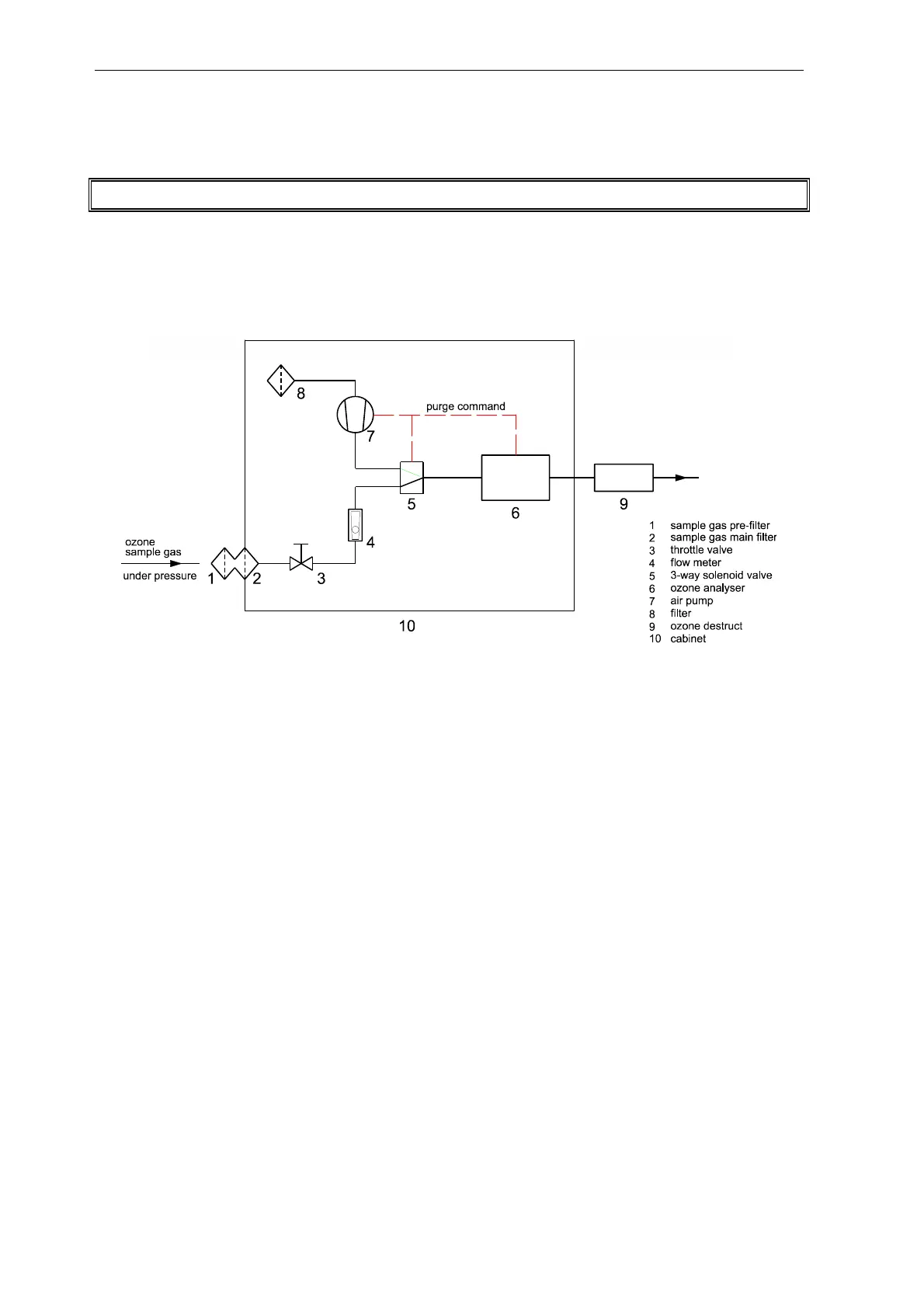
For sample gas connection 3x5 mm FEP (or 1/8'' x 3/16'' FEP) tubing should be used, which will
be supplied on request.
Warning: Do not apply more than the rated gas pressure (pressure range) to the instrument!
The Cabinet is also available with fittings for 4x6 mm FEP tubing, or Swagelok fittings (1/8" or
1/4" or 6 mm) at the sample gas inlet. The Catalyzing Cartridge CAT-35 provides a G 1/8 thread
(BSPP 1/8") at the outlet, with a fitting for 4x6 mm tubing installed. The power and signal con-
nectors are waterproof.
The built-in purge unit enables the processor to automatically zero the instrument. This purge unit
is only activated with Auto Zero Interval > 0 h.
Automatic zeroing may be initiated in different ways. For a detailed description, see chapter Zero-
ing on page 14. After approximately 15 minutes of warm-up the first Auto Zero cycle is initiated
(assuming the Auto Zero Interval is > 0). After every Auto Zero Interval, the processor starts a
zeroing cycle. See page 15 on how to change the Auto Zero Interval. Factory setting is 24 h.
At the start of each zeroing cycle, the last concentration measurement is used to freeze the signal
outputs (current and voltage) during the whole cycle. The valve and pump then are activated for
about 10 seconds, followed by the zeroing of the analyser (needs about 1 second). After zeroing,
the display shows the level of contamination of the cuvette (see page 33). Deactivating the valve
and pump allows the ozone gas 10 seconds time to get back into the cuvette before the signal
outputs are set to the current concentration values again.
Ozone Destruct
Care must be taken in using the Catalyzing Cartridge, which may never see water or humidity. This
might damage the catalyst material. The sample gas filter can only keep dirt from entering the
system, but not humidity.
The pressure head at the outlet of the Catalyzing Cartridge must not exceed 100 mbar to the am-
bient. Otherwise, the built-in air pump will not bring the ozone out of the cuvette and false zero
readings will be the result.

Table of Contents

Related product manuals