EasyManua.ls Logo

BMT 965 - Appendix D: OZONE-IN-OFF-GAS System; General Overview

BMT 965
74 pages
Print Icon
To Next Page IconTo Next Page
To Next Page IconTo Next Page
To Previous Page IconTo Previous Page
To Previous Page IconTo Previous Page
Loading...
OZONE ANALYZER BMT 965 Manual, Rev. 01/2024
___________________________________________________________________________
54
M965_001_EN_2023
-
11
-
01
Appendix D: OZONE-IN-OFF-GAS System
General Overview
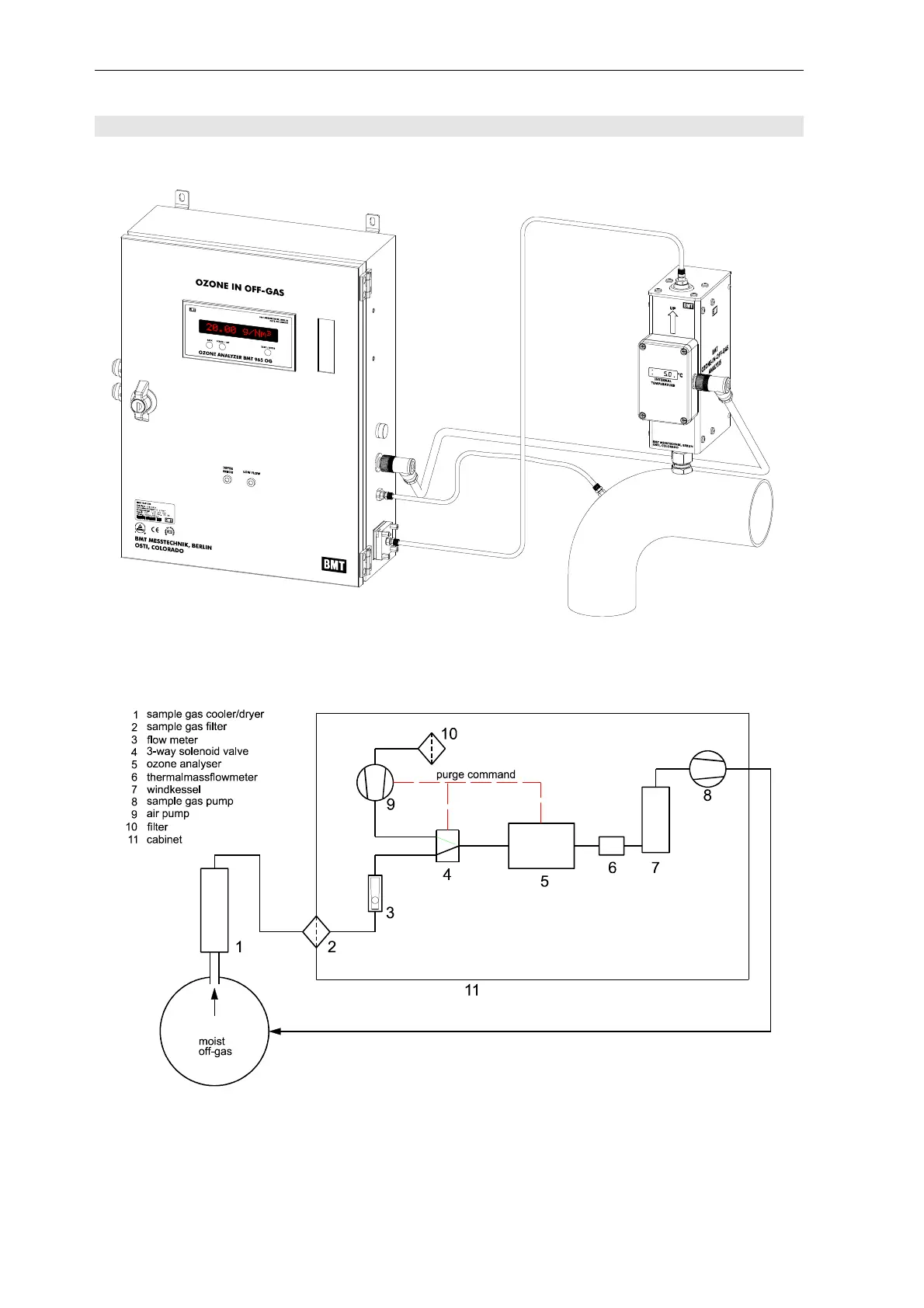
The BMT OZONE-IN-OFF-GAS System is an ozone analysing system for moist off-gases,
housed in a splash-proof IP 65 (NEMA 4X) aluminium cabinet. It consists of the Off-Gas Cabinet
BMT 965 OG, and the separate Peltier-electric cooler/dryer DH6.
The Off-Gas Cabinet contains an OZONE ANALYZER BMT 965, the ozone resistant sample
gas pump SGP5, the flow meter FM82, and the DH6 power supply, in a wall mounted aluminum
cabinet, 300 x 400 x 120 mm (W x H x D, twice the height of the standard BMT 965C cabinet).
The dryer DH6 is mounted upright on top of the reaction vessel, or a large diameter off-gas tube.

Table of Contents

Related product manuals