EasyManua.ls Logo

BMW Z3 E37 1998 - Page 118

BMW Z3 E37 1998
347 pages
Print Icon
To Next Page IconTo Next Page
To Next Page IconTo Next Page
To Previous Page IconTo Previous Page
To Previous Page IconTo Previous Page
Loading...
paragon.myvnc.com
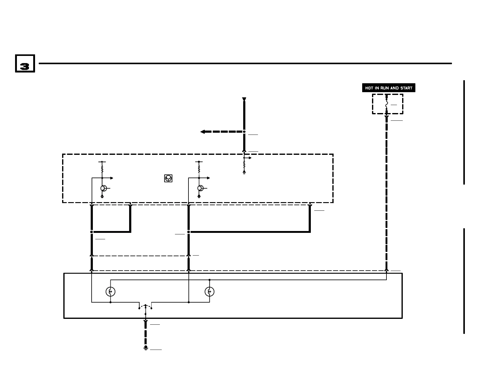
ELECTRONIC TRANSMISSION CONTROL (EGS A4S 270R)
BM
BMW
BMWBMW
Z3
04/99
2460.2Ć
1998
03
A8500
TRANSMISSION
CONTROL MODULE
(EGS)
20 13
.5 GE/BL
3
13
.5 GE/BR
X8565
1
24 X69
5 X8503
.5 GE/WS
A
X85032
S8503
PROGRAM SWITCH
0) OFF
1) AUTOMATIC
2) MANUAL
GROUND
DISTRIBUTION
0670.4
X10017
12
P90
FRONT POWER
DISTRIBUTION BOX
FUSE DETAILS
0670.3
45 27
X8564
E
.5 GE/WS
.5 GE/WS.5 GE/BL
M
M
.5 GE/BR .5 GE/WS
26 X8500
POWER
DISTRIBUTION
0670.2
X6411
6 RT
1RT
ENGINE CONTROL
SYSTEM MS41.1
(6CYLINDER M52)
1210.17
F26
10A
31
31
15
31
15
0
21
X18170
X8500
6CYLINDER

Related product manuals