EasyManua.ls Logo

BMW Z3 E37 1998 - Page 70

BMW Z3 E37 1998
347 pages
Print Icon
To Next Page IconTo Next Page
To Next Page IconTo Next Page
To Previous Page IconTo Previous Page
To Previous Page IconTo Previous Page
Loading...
paragon.myvnc.com
S221
EVAPORATOR
CONTROLLER
1210.17-09
1210.17-12
* 55 * 76 * 70
* 61 * 78 * 72
45
B6204
CAMSHAFT
POSITION SENSOR
(CYLINDER
IDENTIFICATION)
1210.17-06
04/99
1210.17
1998
A6000
ENGINE
CONTROL
MODULE (DME)
1210.17-00
73 87
1210.17-02
B6207
HOT FILM AIR
MASS METER
K6300
ENGINE CONTROL
MODULE RELAY
8 7
A8500
TRANSMISSION
CONTROL
MODULE (EGS)
26
1210.17-00
Y6101
CYL. 1 FUEL
INJECTION VALVE
Y6102
CYL. 2 FUEL
INJECTION VALVE
Y6103
CYL. 3 FUEL
INJECTION VALVE
1210.17-01
29
T6151
CYL. 1 IGNITION
COIL
T6154
CYL. 4 IGNITION
COIL
3
T6152
CYL. 2 IGNITION
COIL
T6153
CYL. 3 IGNITION
COIL
T6155
CYL. 5 IGNITION
COIL
T6156
CYL. 6 IGNITION
COIL
181614 56
B6205
INTAKE AIR
TEMPERATURE
SENSOR
39
B6236
ENGINE COOLANT
TEMPERATURE
SENSOR
12 4442
R6252
THROTTLE
POSITION SENSOR
22
1210.17-05
15
S2
IGNITION SWITCH
30
131
2
1210.17-03
1210.17-03
1210.17-02
1210.17-05
A836
ELECTRONIC IMMOBILIZER
CONTROL MODULE (EWS II)
1210.17-09
1210.17-12
X6000
88
S221
EVAPORATOR
CONTROLLER
TXD
B8y
PRESSURE
SWITCH
1210.17-02
+
G6430
B+ JUMP START
JUNCTION POINT
D100
DATA LINK
CONNECTOR
1210.17-00
19
F16
5A
P90
FRONT POWER
DISTRIBUTION BOX
1210.17-07
74
K19
COMPRESSOR
CONTROL RELAY
1210.17-07
86
85
F18
15A
P90
FRONT POWER
DISTRIBUTION BOX
M2
FUEL PUMP
K6301
CYL. 16 FUEL
PUMP RELAY
1210.17-10
1210.17-11
1210.17-10
1210.17-11
Y6104
CYL. 4 FUEL
INJECTION VALVE
Y6105
CYL. 5 FUEL
INJECTION VALVE
Y6106
CYL. 6 FUEL
INJECTION VALVE
1210.17-01
24
1210.17-05
62
Y6275
VARIABLE CAM-
SHAFT CONTROL
VALVE 1
Y6120
EVAPORATIVE
EMISSION VALVE
Y6163
SECONDARY AIR
PUMP VALVE
Y6550
SOLENOID VALVE
(RUNNING
LOSSES)
23 50
33
68
+
+
B9508
PRESSURE
SWITCH
X6000
X6000
65
B6240
KNOCK SENSOR
1210.17-06
59 63
S220
AIR CONDITIONING/
RECIRCULATING
SWITCH ASSEMBLY
1210.17-09
1210.17-12
9
A35y
BOARD
COMPUTER
(BC LOW)
1210.17-09
80 81
A52
SLIP CONTROL
MODULE
(ABS/ASC)
1210.17-00
M6506
EBOX FAN
1210.17-00
B62202
OXYGEN SENSOR II
(BEHIND CATALYTIC
CONVERTER)
B62201
OXYGEN SENSOR II (IN
FRONT OF CATALYTIC
CONVERTER)
B62102
OXYGEN SENSOR I
(BEHIND CATALYTIC
CONVERTER)
B62101
OXYGEN SENSOR I (IN
FRONT OF CATALYTIC
CONVERTER)
1210.17-10
1210.17-11
79 77 71
54
25 75 67
20
A2w
INSTRUMENT
CLUSTER
4636
49
Y6133
AIR PUMP
1210.17-05
F13
5A
SPARK PLUGS
B6247
CHARCOAL
FILTER SHUT
OFF VALVE
51
1210.17-04
K6304
SECONDARY AIR
PUMP RELAY
K6326
UNLOADER RELAY,
TERMINAL 15
35
G6430
B+ JUMP START
JUNCTION POINT
1210.17-05
11 4 0
B65
FUEL TANK
PRESSURE
SENSOR
1210.17-04
32 34 44364 15 8286
A8500
TRANSMISSION
CONTROL MODULE
(EGS)
854157 58
B6203
CRANKSHAFT
POSITION/RPM
SENSOR
1210.17-06
388348
53 27
Y6130
IDLE SPEED
CONTROL VALVE
1210.17-01
5
6
21
1210.17-01
1210.17-05
60
D100
DATA LINK
CONNECTOR
1210.17-02
1210.17-04
1210.17-08
1210.17-12
10
1210.17-07
1210.17-07
1210.17-09
69
2852
NOT USED
1210.17-08
1210.17-02
Z3 ROADSTER
B6210y
OXYGEN SENSOR (IN
FRONT OF CATALYTIC
CONVERTER)
B6220y
OXYGEN SENSOR
(BEHIND CATALYTIC
CONVERTER)
M ROADSTER
Z3 ROADSTER
A7
SLIP CONTROL
MODULE (ABS)
1210.17-12
WITH ABS WITH ASC
* M ROADSTER
1210.17-12
Z3 ROADSTER
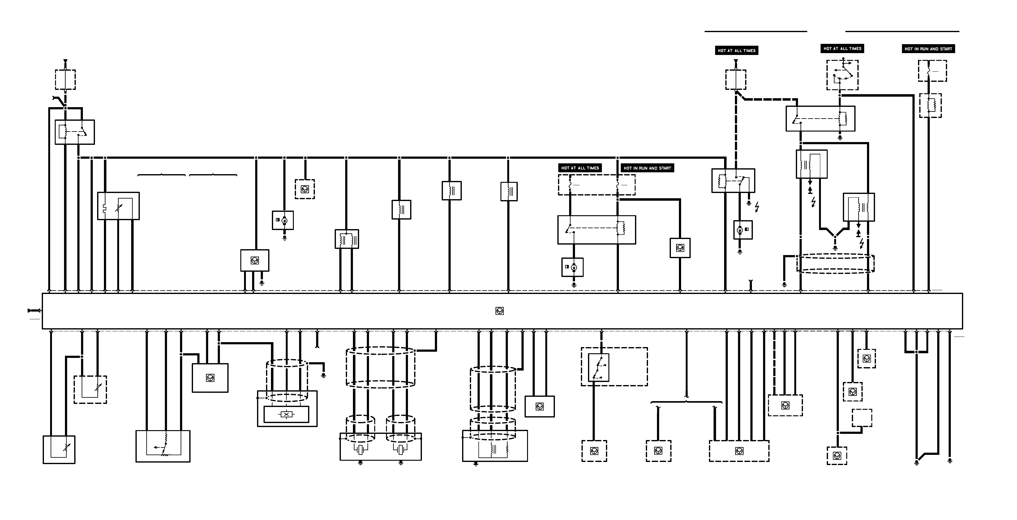
1210.17 ENGINE CONTROL SYSTEM MS41.1 (6CYLINDER M52/S52)

Related product manuals