EasyManua.ls Logo

Bosch GreenSource SM024 - Page 60

Bosch GreenSource SM024
82 pages
Print Icon
To Next Page IconTo Next Page
To Next Page IconTo Next Page
To Previous Page IconTo Previous Page
To Previous Page IconTo Previous Page
Loading...
Greensource CDi Series SM
Greensource CDi Series SM Model8733819578 (2019/02)
60 | Wiring Diagrams
Subject to change without prior notice
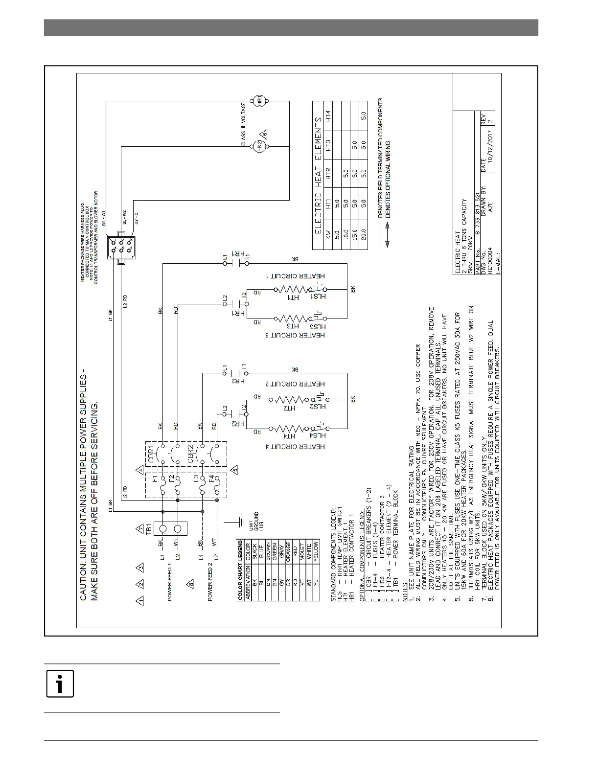
Fig. 75 Electric Heat Wiring
FOR REFERENCE ONLY Actual unit wiring
may vary from this example. Always refer to the
wiring diagram attached to the unit.

Table of Contents

Other manuals for Bosch GreenSource SM024

Related product manuals