EasyManua.ls Logo

Bosch MIC-7522 - Best Practices for Outdoor Installation

Bosch MIC-7522
70 pages
Print Icon
To Next Page IconTo Next Page
To Next Page IconTo Next Page
To Previous Page IconTo Previous Page
To Previous Page IconTo Previous Page
Loading...
58 en | Best Practices for Outdoor Installation MIC IP ultra 7100i MIC IP starlight 7100i
2019-12 | 1.2 | Installation Manual Bosch Security Systems
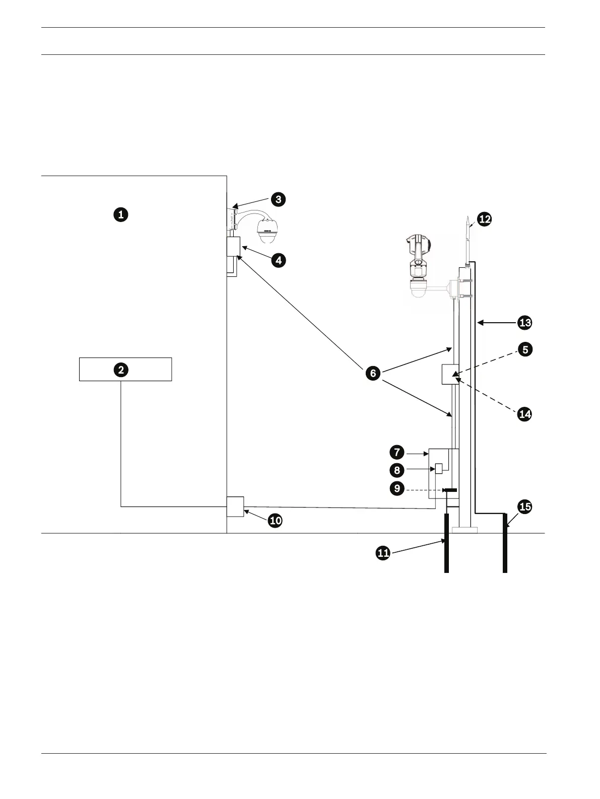
20 Best Practices for Outdoor Installation
Cameras installed outdoors are susceptible to surges and lightning. Always include surge and
lightning protection when installing outdoor cameras.
The following figure is an illustration of the proper configuration for installing IP PTZ cameras
(AUTODOME and MIC) outdoors with surge and lightning protection. Note that the illustration
does not include representations of all models of AUTODOME and MIC cameras.
The illustration can represent any IP camera. Mounting hardware varies between units.
Figure20.1: Correct outdoor installation with proper surge/lightning protection

Related product manuals