EasyManua.ls Logo

Brivo B-ACS6100L-E - Page 28

Brivo B-ACS6100L-E
39 pages
Print Icon
To Next Page IconTo Next Page
To Next Page IconTo Next Page
To Previous Page IconTo Previous Page
To Previous Page IconTo Previous Page
Loading...
© 2022 Brivo Systems LLC. All rights reserved. PUB-Brivo ACS6100 Installation Manual
28
Brivo ACS6100 Installation Manual
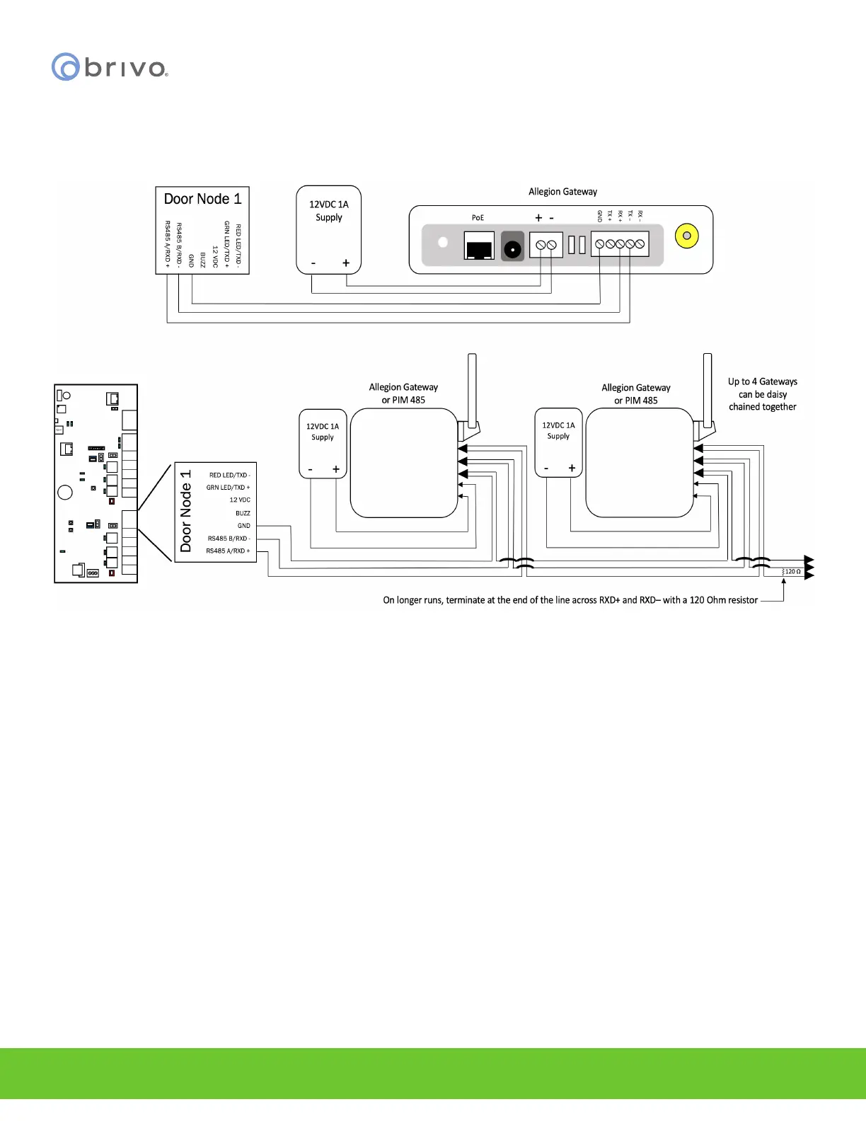
IMPORTANT NOTE: Allegion RSI functionality is supported on Door Node 1 only of the MAIN CONTROL BOARD.
Door Node 2 does NOT support Allegion RSI functionality, nor do the B-ACS6100-DB DOOR BOARDS. On B-ACS6100-
DB DOOR BOARDS, RS-485 is only supported for OSDP readers.
Figure 20 – Typical Half Duplex RS-485 Wiring Diagram for Allegion Transceivers

Related product manuals