EasyManua.ls Logo

Brooks SLA585 - Model SLA5850 D Digital I;O Devicenet MFC; Model SLA5850 S Analog I;O MFC with RS-485 Elastomer Downport Connections

Default Icon
76 pages
Print Icon
To Next Page IconTo Next Page
To Next Page IconTo Next Page
To Previous Page IconTo Previous Page
To Previous Page IconTo Previous Page
Loading...
1-11
Section 1 Introduction
Brooks
®
Digital MFC's & MFM's
Installation and Operation Manual
X-TMF-SLA5800-MFC-eng
Part Number: 541B027AAG
April, 2013
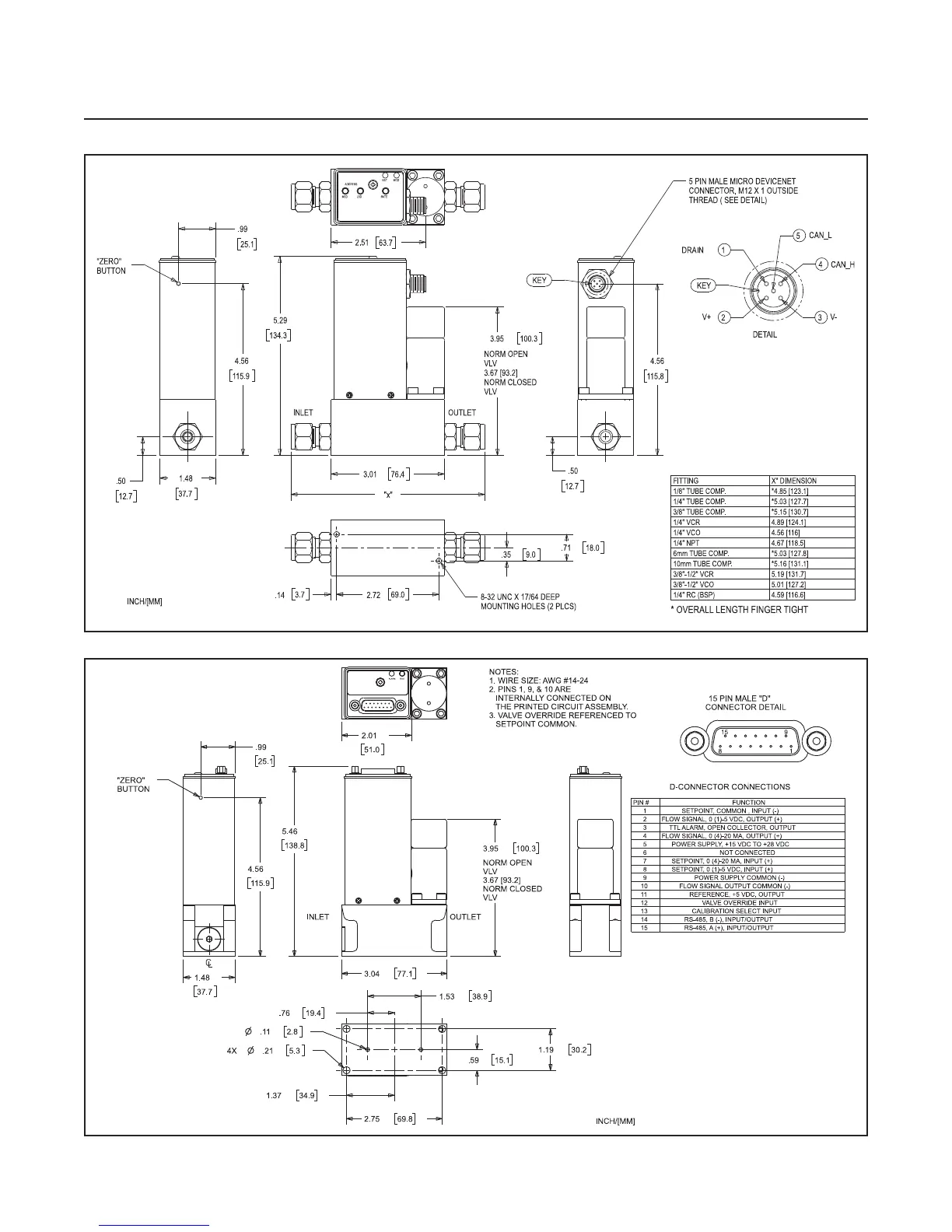
Figure1-5 Model SLA5850D Digital I/O Devicenet MFC
Figure 1-6 Model SLA5850S Analog I/O MFC with RS-485 Elastomer Downport Connections

Table of Contents

Related product manuals