EasyManua.ls Logo

Brother BC800 - Page 36

Brother BC800
134 pages
Print Icon
To Next Page IconTo Next Page
To Next Page IconTo Next Page
To Previous Page IconTo Previous Page
To Previous Page IconTo Previous Page
Loading...
2 - 19
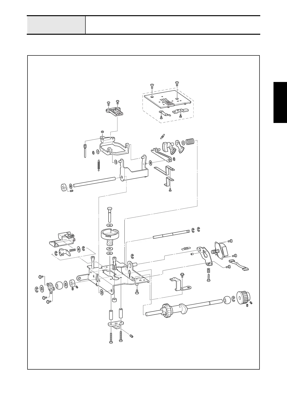
Disassembly
Feed unit location diagram
Main unit

Table of Contents