EasyManua.ls Logo

Brother DCP-J100

Brother DCP-J100
309 pages
To Next Page IconTo Next Page
To Next Page IconTo Next Page
To Previous Page IconTo Previous Page
To Previous Page IconTo Previous Page
Loading...
3-54
Confidential
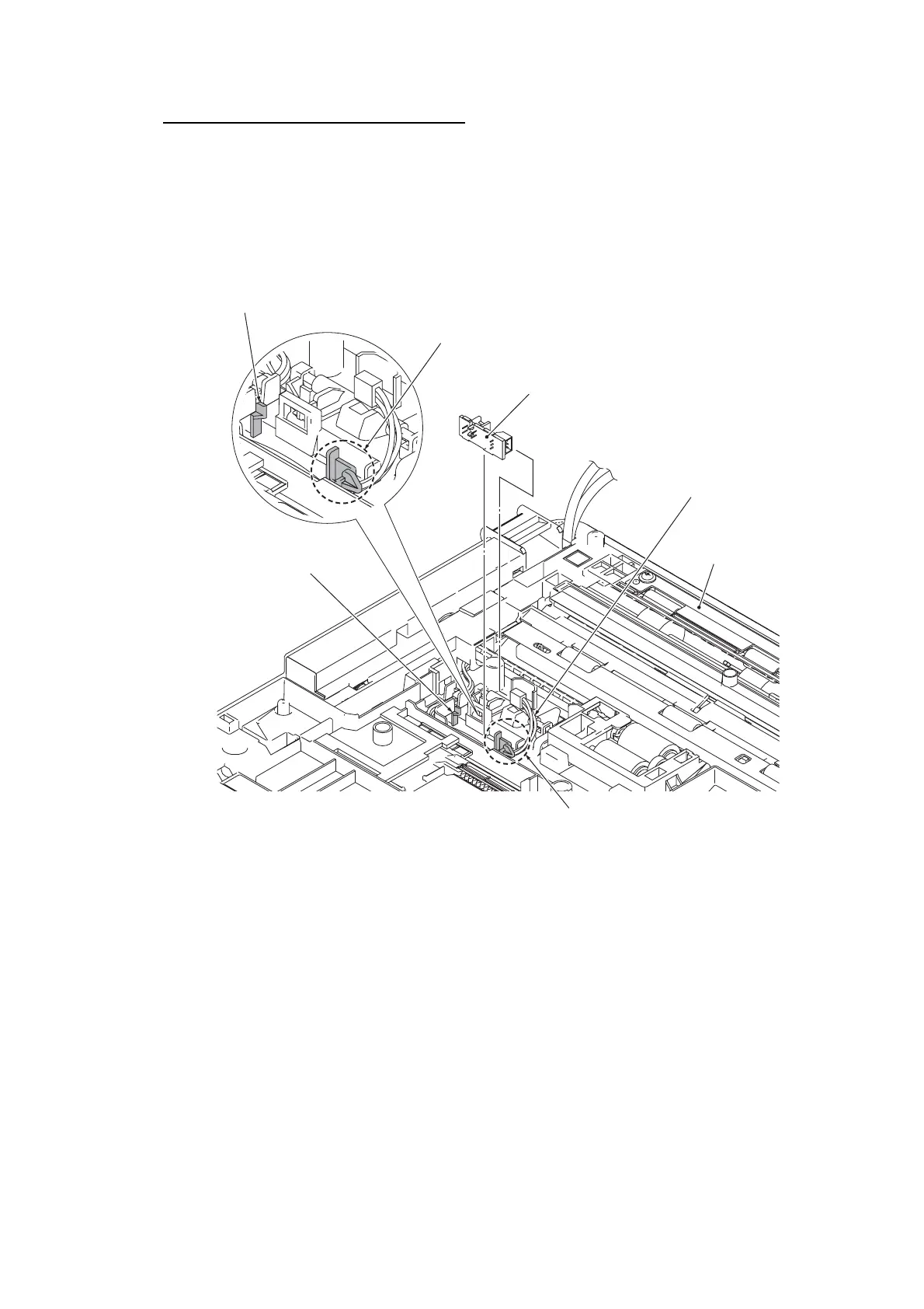
Document detection sensor PCB ASSY
(12)Turn the ADF unit upside down.
(13)Push the lock arm towards you, remove the rear end of the Document detection
sensor PCB from the lock arm, and take out the Document detection sensor PCB
ASSY. Disconnect the Document detection sensor harness from the Document
detection sensor PCB.
Assembling Note
Press down the Document detection actuator and install the Document detection sensor
PCB.
(3_087L)

Table of Contents

Other manuals for Brother DCP-J100

Related product manuals