EasyManua.ls Logo

Brother MFC6800 - ADF Components on the Upper ADF Chute

Brother MFC6800
222 pages
To Next Page IconTo Next Page
To Next Page IconTo Next Page
To Previous Page IconTo Previous Page
To Previous Page IconTo Previous Page
Loading...
4-7
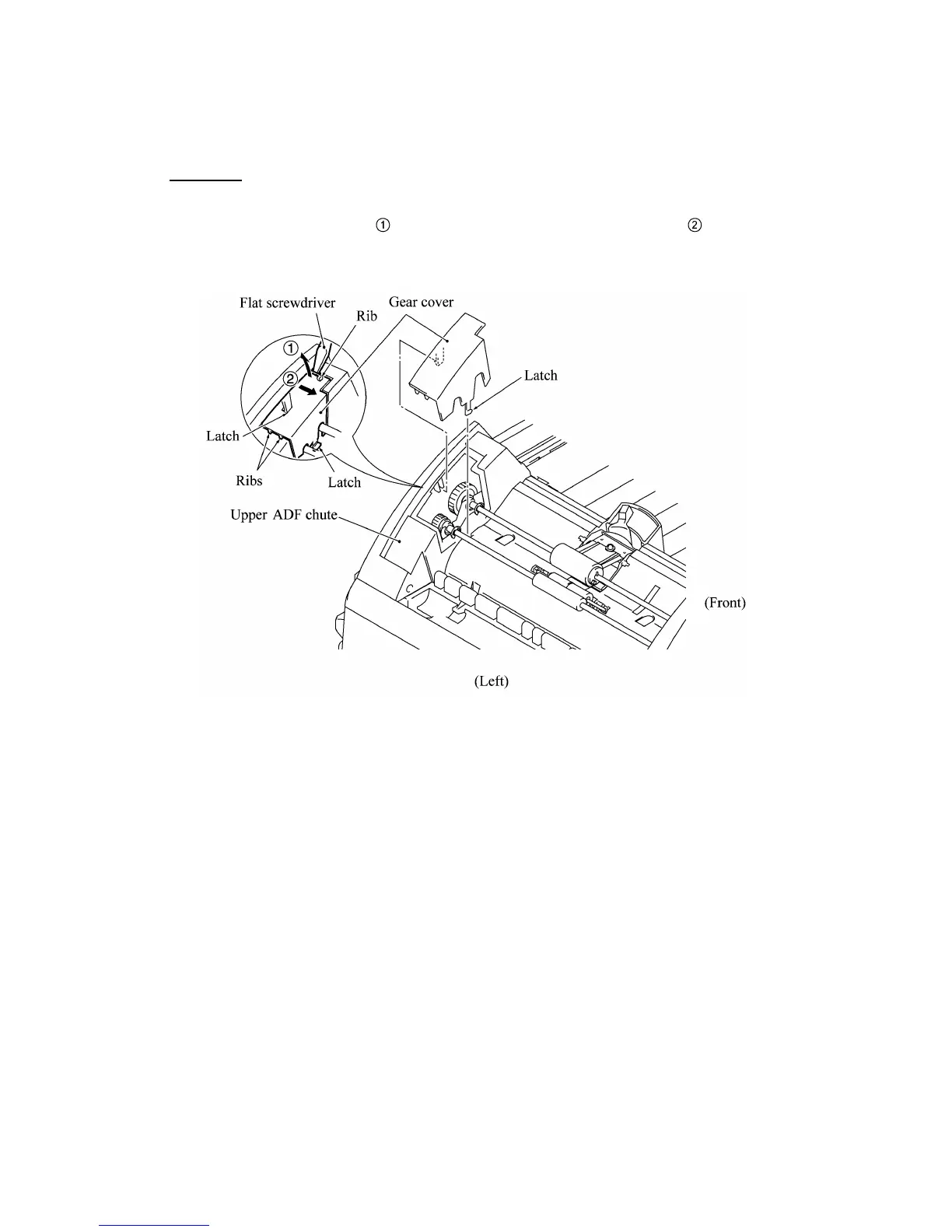
4.1.2 ADF Components on the Upper ADF Chute
Gear cover
(1) As illustrated below, insert the tip of a flat screwdriver into the slot and lift up the right edge
of the gear cover (arrow
) and move the gear cover to the front (arrow ).

Table of Contents

Related product manuals