EasyManua.ls Logo

Brother MFC6800 - Cleaning of High-Voltage Contacts and Grounding Contacts

Brother MFC6800
222 pages
To Next Page IconTo Next Page
To Next Page IconTo Next Page
To Previous Page IconTo Previous Page
To Previous Page IconTo Previous Page
Loading...
4-61
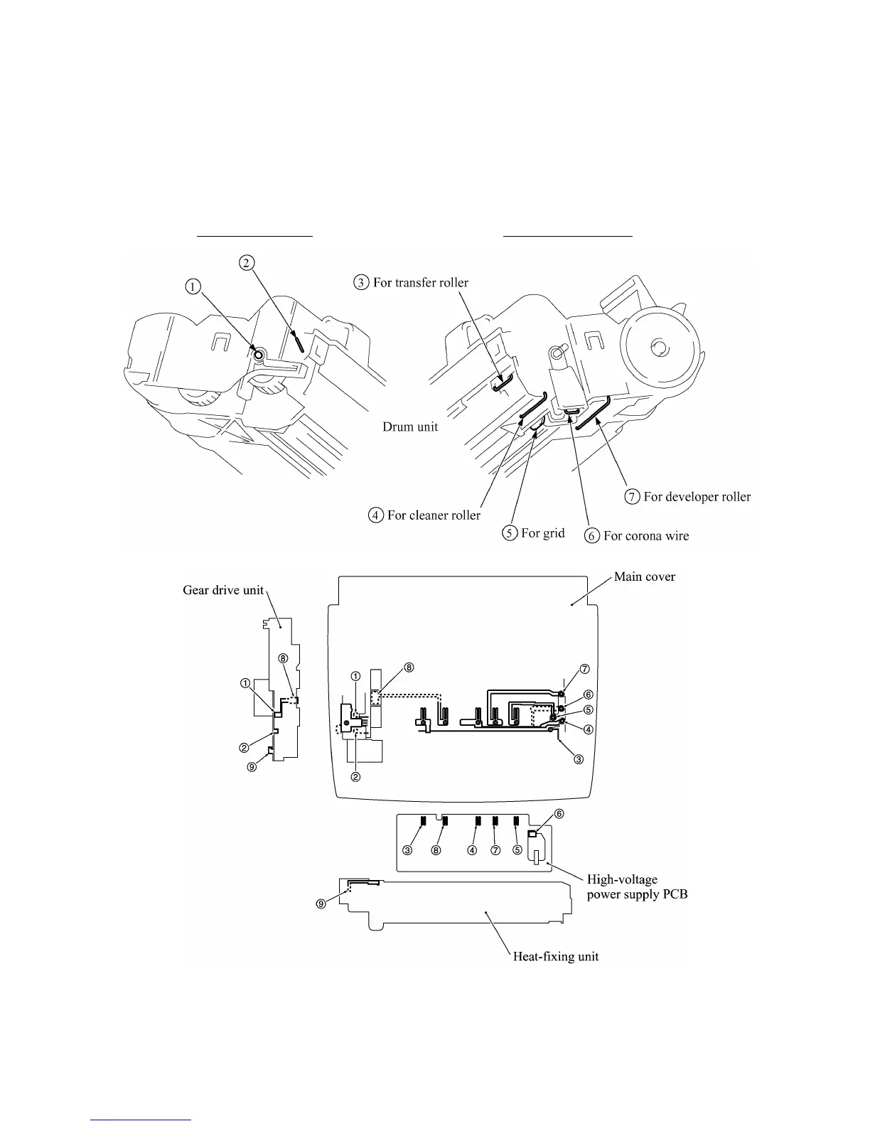
4.1.26 Cleaning of High-voltage Contacts and Grounding Contacts
If any toner particles, paper dust or dirt are on the contacts, clean them out. This will ensure that
power flows correctly to enable printing.
Grounding contacts High-voltage contacts

Table of Contents

Related product manuals