EasyManua.ls Logo

Brother MFC6800 - Page 44

Brother MFC6800
222 pages
To Next Page IconTo Next Page
To Next Page IconTo Next Page
To Previous Page IconTo Previous Page
To Previous Page IconTo Previous Page
Loading...
4-11
Upper ADF chute
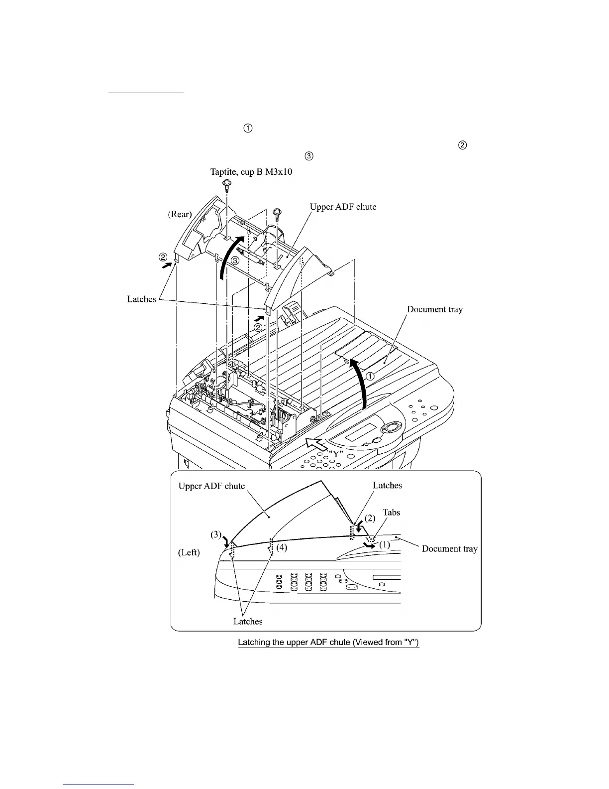
(6) Remove the two screws from the upper ADF chute.
(7) Open the document tray (
).
(8) From the underside of the document tray, release the two leftmost latches (
) and then pull
up the left end of the upper ADF chute (
).
Reassembling Note: When latching the upper ADF chute, first fit tabs (1) of the right end
into the openings provided in the document tray, then press latches (2), (3), and (4) into place
in this order as shown above.

Table of Contents

Related product manuals