EasyManua.ls Logo

Burnham Revolution - Single Heating Zone Only Wiring Schematic

Burnham Revolution
100 pages
Print Icon
To Next Page IconTo Next Page
To Next Page IconTo Next Page
To Previous Page IconTo Previous Page
To Previous Page IconTo Previous Page
Loading...
56
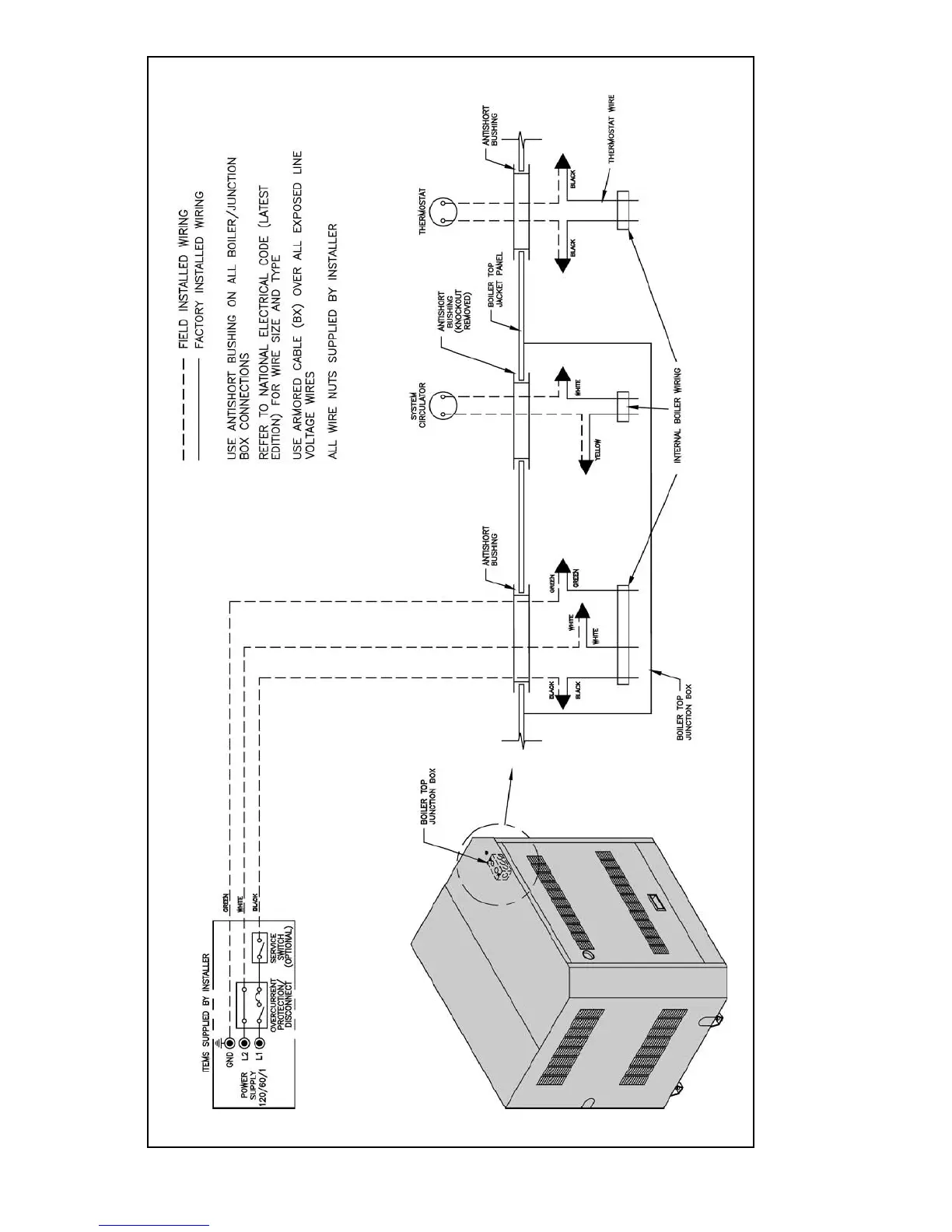
Figure 33: Single Heating Zone Only Wiring Schematic

Table of Contents

Other manuals for Burnham Revolution

Related product manuals