EasyManua.ls Logo

C-COR.net FlexNet E7 - Page 86

C-COR.net FlexNet E7
112 pages
Print Icon
To Next Page IconTo Next Page
To Next Page IconTo Next Page
To Previous Page IconTo Previous Page
To Previous Page IconTo Previous Page
Loading...
B-4 FlexNet
®
700 Series Line Extender Rev F
B
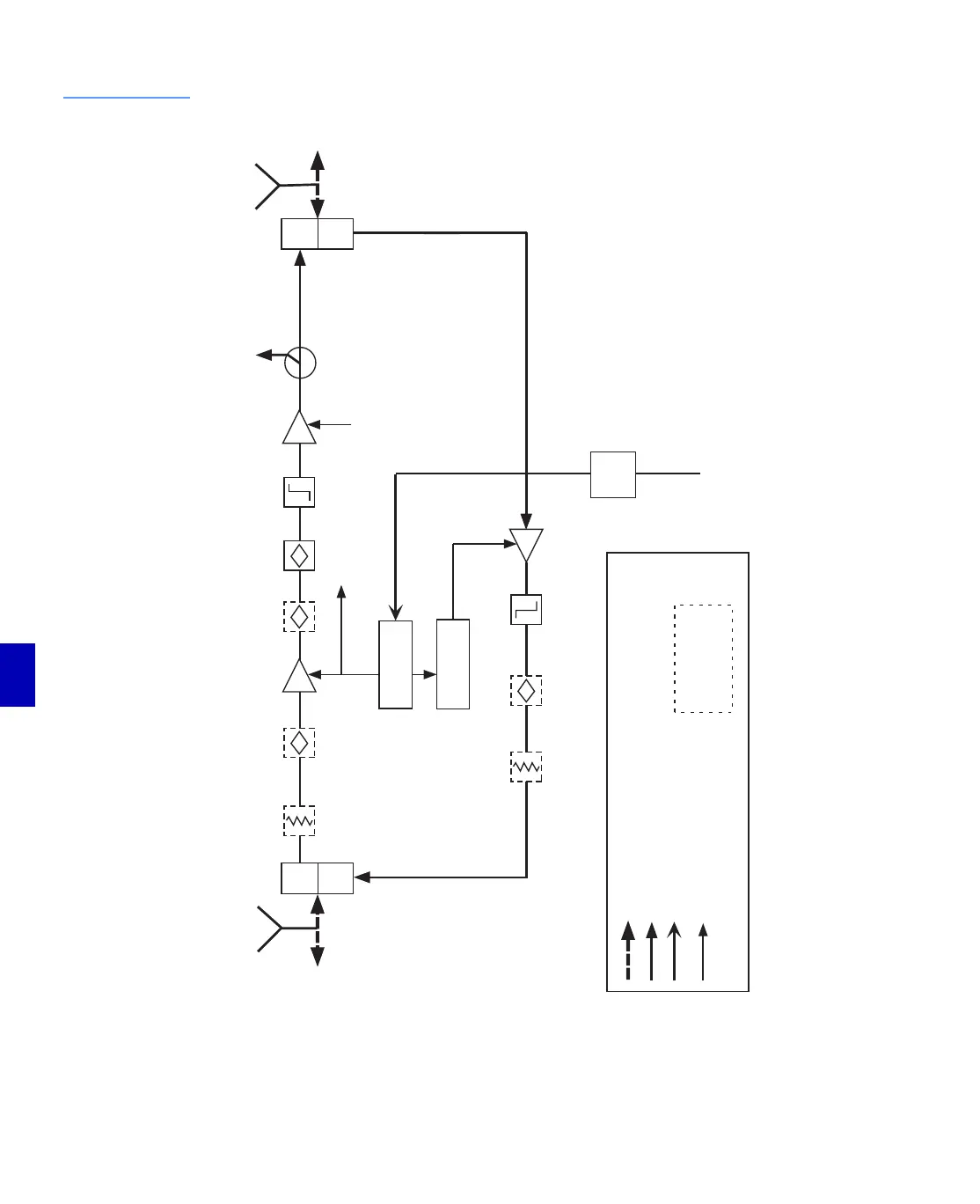
Figure B.3
E7 Line Extender
862MHz/117V
AC
H
L
H
L
Port 1
REVERSE
PAD
REVERSE
EQ
Low Pass
Filter
B+ (24 V
DC
)
B+ (24 V
DC
)
-25 dB
FORWARD
BALANCING
T.P.
B+ (24 V
DC
)
FORWARD
PAD
FORWARD
EQ
INTERSTAGE
EQ
Amplifier
8 dB
IGC
High
Pass
Filter
Pre-
amplifier
Power Supply
Reverse
Power Supply
Diplex
Filter
Diplex
Filter
RF Signals and AC Power Combined
RF Signals Only
AC Power Only
DC Power
Legend
Reverse
Amplifier
RFI
Filter
FUSE
117 V
AC
Power
plug-in accessory
Port 3
*
*
*
-25 dB AC Blocked Testpoint

Table of Contents