EasyManua.ls Logo

C-COR.net FlexNet E7 - Appendix B Functional Block Diagrams

C-COR.net FlexNet E7
112 pages
Print Icon
To Next Page IconTo Next Page
To Next Page IconTo Next Page
To Previous Page IconTo Previous Page
To Previous Page IconTo Previous Page
Loading...
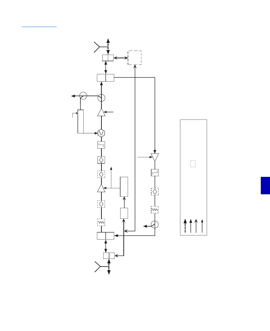
Rev F Functional Block Diagrams B-3
B
Figure B.2
E75 Line Extender
862 MHz with ALC
RF Signals and AC Power Combined
RF Signals Only
AC Power Only
DC Power
Legend
*
H
L
H
L
REVERSE
PAD
REVERSE
EQ
Low Pass
Filter
B+ (24 V
DC
)
B+ (24 VDC)
-25 dB
FORWARD
BALANCING
T.P.
B+ (24 V
DC
)
FORWARD
PAD
FORWARD
EQ
INTERSTAGE
EQ
15.5 dB
IGC
High
Pass
Filter
Pre-
amplifier
Diplex
Filter
Diplex
Filter
Reverse
Amplifier
PIN
Diode
ALC Circuit
B+ (24 VDC)
-25 dB REVERSE
OUTPUT T.P.
Port 1
RF
AC
AC
Power
*
MAIN
FUSE
Switch Mode
Power Supply
RF
AC
AC
Power
THRU
POWER
FUSE
Port 3
*
-25 dB AC Blocked Testpoint
Plug-in Accessory

Table of Contents