EasyManua.ls Logo

Canon MultiPASS MP360 - Canon MP390 Component Layout

Canon MultiPASS MP360
149 pages
Print Icon
To Next Page IconTo Next Page
To Next Page IconTo Next Page
To Previous Page IconTo Previous Page
To Previous Page IconTo Previous Page
Loading...
Chapter 2
2-1
2.1 Component Layout
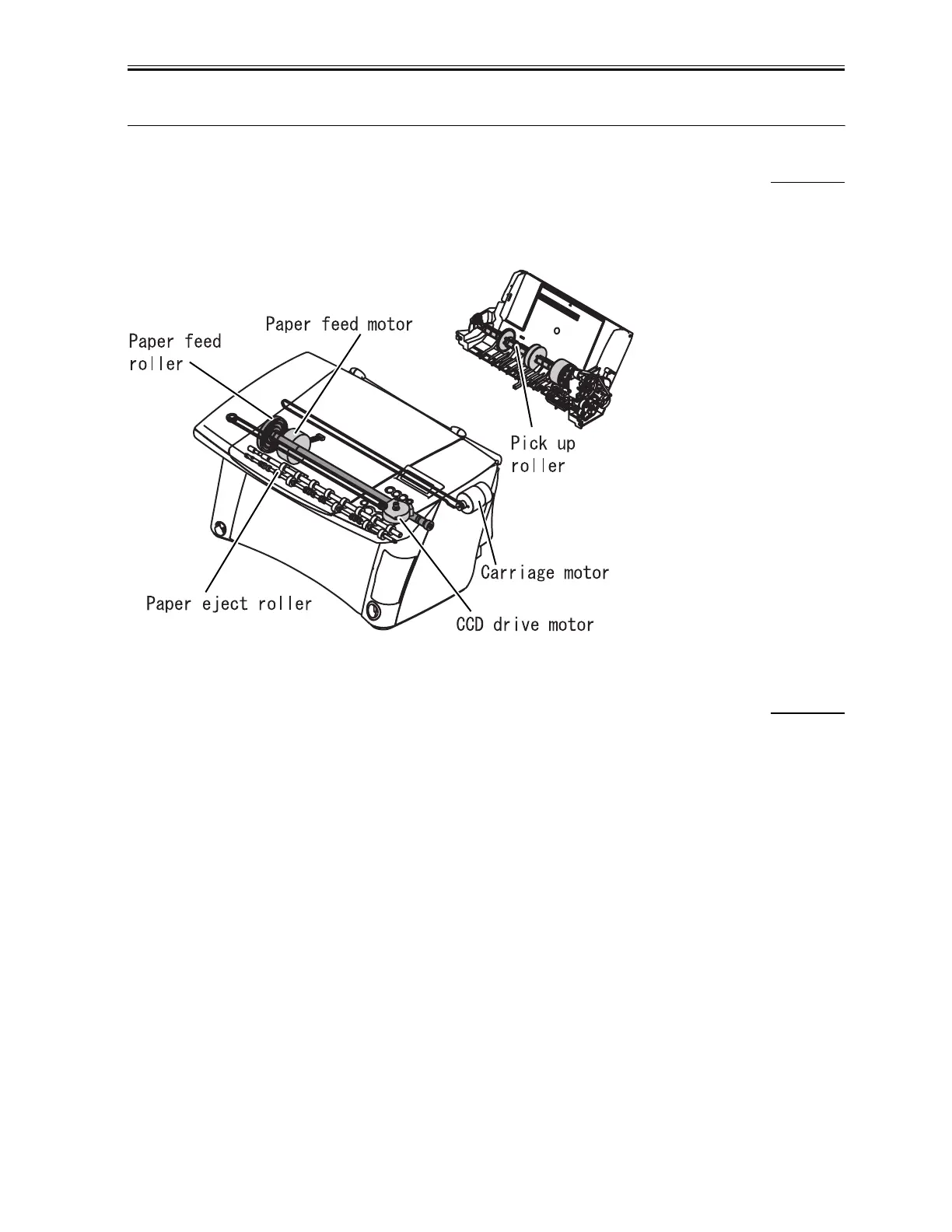
2.1.1 Printer Mechanical Section
0003-2046
The printer's mechanical parts consist of the followings:
F-2-1
2.1.2 Electrical Layout
0004-4414
The electrical parts are laid out as follows:
- SPCNT board: Controls the entire facsimile machine.
- OPCNT board: Detects keyboard operation and displays machine information.
- Multi-card reader board: Interface with memory card.
- Camera USB board (MP370, MP390 only): Interface from USB connector for printing images directly from a
digital camera
- Sensor board (include sub PCB): Detects the state of sensors, and relays the cable to the printer assembly.
- Power supply unit: Supplies power to the units and assemblies.
- NCU board: Controls the telephone line.
- Modular board: Relays the telephone line to the NCU board.
- Modem board: interface with telephone line
Download Service Manual And Resetter Printer at http://printer1.blogspot.com

Table of Contents

Other manuals for Canon MultiPASS MP360

Related product manuals