EasyManua.ls Logo

Canon MultiPASS MP360 - Canon MP390 Printer Section Components

Canon MultiPASS MP360
149 pages
Print Icon
To Next Page IconTo Next Page
To Next Page IconTo Next Page
To Previous Page IconTo Previous Page
To Previous Page IconTo Previous Page
Loading...
Chapter 2
 
2-6
2.3 Printer Section
2.3.1 Printer Mechanical Section
0002-0302
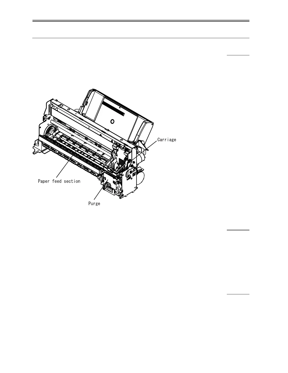
The printer's mechanical parts consist of the BJ cartridge section, carriage section, purge section, and paper feed
section. Each part is explained below.
F-2-5
2.3.2 Carriage Section
0002-0326
The carriage secures the printhead including 2 ink tanks in place.
The carriage belt driven by the carriage motor (DC motor) moves the carriage horizontally back and forth across the
paper.
Regarding the carriage's position control, the initial position is detected when the carriage goes against the right wall
which is the home position. After that, the carriage position is detected by reading the pulse from the encoder film.
The paper spacing position is read from the carriage position when the carriage goes against the left wall.
2.3.3 Purge Section
0002-0328
The purge section, driven by a dedicated purge motor, consists of the wiper, pump, cap and carriage lock.
The wiper maintains the head face surface to ensure high-quality printing. The ink suction feature enables the ink to
be readily ejected from the nozzles.
When the BJ cartridge is not in use, the nozzles are protected by caps, and the carriage is locked in place.
The motor's running direction controls the ink suction operation or capping/wiping/valve open/closing operation.
Download Service Manual And Resetter Printer at http://printer1.blogspot.com

Table of Contents

Other manuals for Canon MultiPASS MP360

Related product manuals