EasyManua.ls Logo

Carel UU02 - Functional Wiring Diagram

Carel UU02
48 pages
To Next Page IconTo Next Page
To Next Page IconTo Next Page
To Previous Page IconTo Previous Page
To Previous Page IconTo Previous Page
Loading...
13
LOW LEV.
GND
HIGH LEV.
F
Level flow
switch
+
-
230/ 110 Vac
L
N
+ GND
Piezoelectric
transducer
Pool
Driver
48 Vdc
Power Supply
D
G
G0
Driver
Driver
Driver
Control
board
Drain
valve
Fill
valve
3,15 A T
Control board (*)
(*) Only for complete panel
GND + -
ELECTRICAL PANEL
(basic / complete)
Serial connection
humiSonic
Control
board
Driver: 4 to 30
LEVEL FLOW
SWITCH
ENG
humiSonic ventilation +0300063EN - rel. 1.0 - 16.02.2016
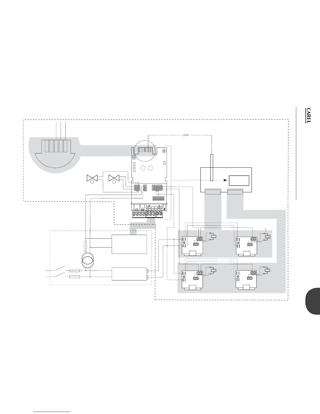
3.2 Functional wiring diagram
Fig. 3.c

Table of Contents

Related product manuals