EasyManua.ls Logo

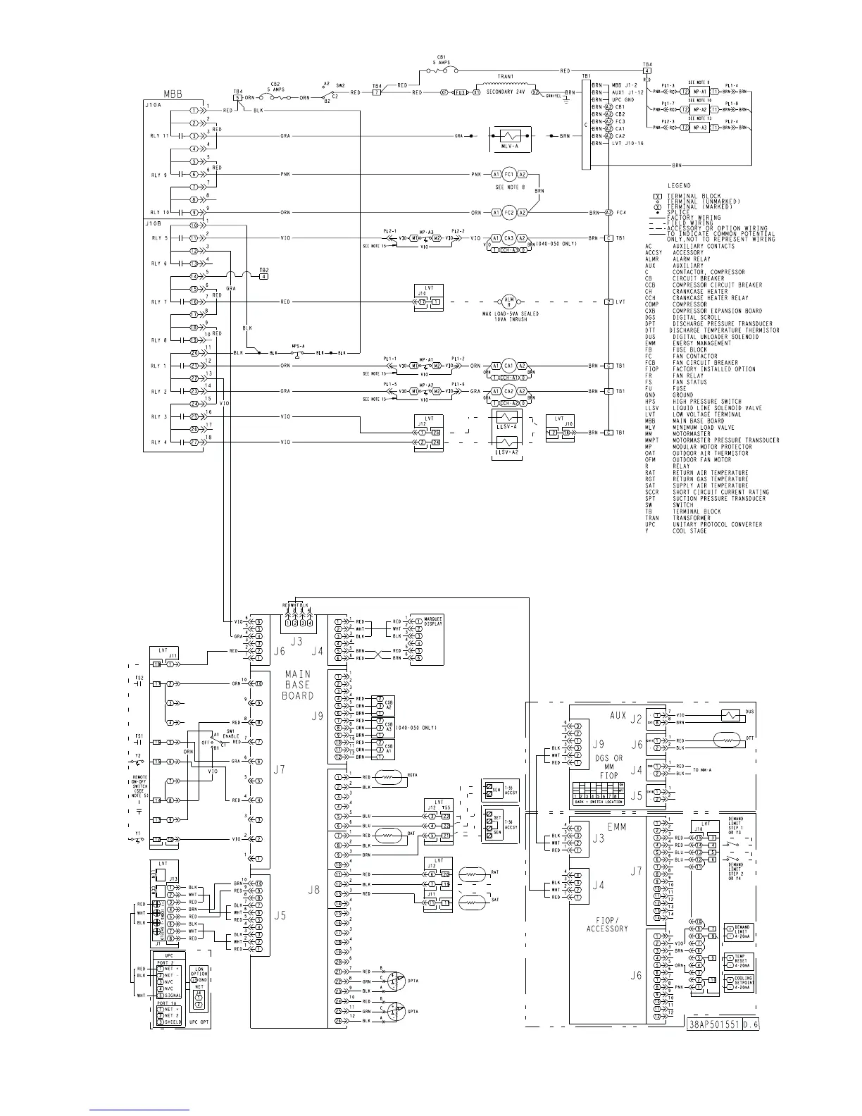
Carrier 38APD130 - Control Wiring Schematic - 38 APS025-050 (Typical)

Carrier 38APD130
242 pages
To Next Page IconTo Next Page
To Next Page IconTo Next Page
To Previous Page IconTo Previous Page
To Previous Page IconTo Previous Page
Loading...
15
a38-7417
Fig. 11 — Control Wiring Schematic — 38APS025-050 (Typical)
NOTE: Typical drawing shown. Refer to
unit wiring diagram label for specific unit.

Table of Contents

Related product manuals