EasyManua.ls Logo

Casio A-10 - Mc34119 (U5); Max3241 Cai (U6)

Casio A-10
87 pages
Print Icon
To Next Page IconTo Next Page
To Next Page IconTo Next Page
To Previous Page IconTo Previous Page
To Previous Page IconTo Previous Page
Loading...
— 29 —
1
2
3
4
5
6
7
8
9
10
11
12
13
14
28
27
26
25
24
23
22
21
20
19
18
17
16
15
C2+
C2–
V–
R1IN
R2IN
R3IN
R4IN
R5IN
T1OUT
T2OUT
T3OUT
T3IN
T2IN
T1IN
C1+
V+
VCC
GND
C1-
EN
SHON
R1OUTB
R2OUTB
R1OUT
R2OUT
R3OUT
R4OUT
R5OUT
MAX3241
MAX3241
C1+
C1–
C2+
C2–
T1IN
T2IN
T3IN
R1OUTB
R2OUTB
R1OUT
R2OUT
R3OUT
R4OUT
R5OUT
EN
T1OUT
V+
V–
T2OUT
T3OUT
R1IN
R2IN
R3IN
R4IN
R5IN
SHDN
5k
5k
5k
5k
5k
25
GND
28
0.1 µf
VCC=3 V
to 5.5 V
C1
+
+
+
+
+
VCC
C2
C3
C4
LOGIC
INPUTS
RS-232
OUTPUTS
RS-232
INPUTS
LOGIC
OUTPUTS
26
27
3
24
1
2
14
13
12
9
10
11
21
20
19
18
17
16
15
23
4
5
6
7
8
22
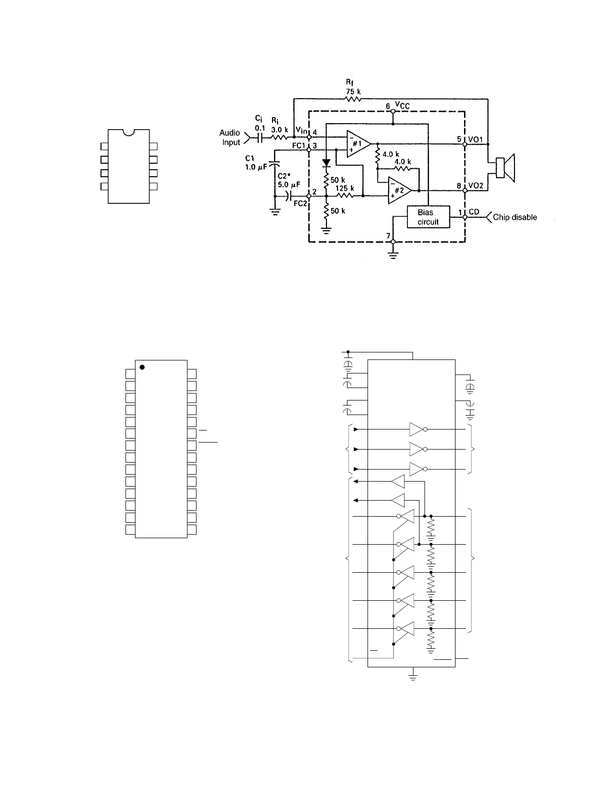
MC34119 (U5)
MAX3241CAI (U6)
(Top View)
1
2
3
4
CD
FC2
FC1
Vin
VO2
Gnd
V
CC
VO1
8
7
6
5
(Top View)

Table of Contents

Related product manuals