EasyManua.ls Logo

Casio A-10 - Upd42 S16165 Lg5; Rn5 Vd18 Ca (U9)

Casio A-10
87 pages
Print Icon
To Next Page IconTo Next Page
To Next Page IconTo Next Page
To Previous Page IconTo Previous Page
To Previous Page IconTo Previous Page
Loading...
— 30 —
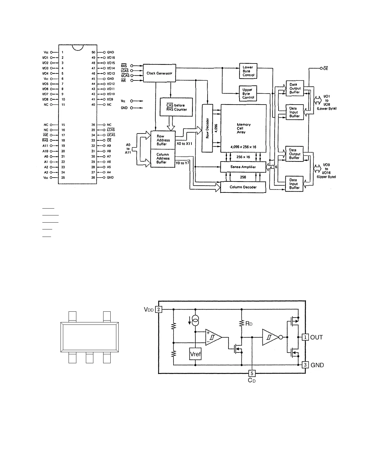
UPD42S16165LG5
RN5VD18CA (U9)
A0 to A11 : Address Inputs
I/O 1 to I/O 16 : Data Inputs/Outputs
RAS : Row Address Strobe
UCAS : Column Address Strobe (upper)
LCAS : Column Address Strobe (lower)
WE : Write enable
OE : Output enable
VCC : Power Supply
GND : Ground
NC : No Connection
123
54
OUT : Output (H=Detected)
VDD : Voltage source
GND : Ground
NC : No connection
CD : Connect to capacitor for delay

Table of Contents

Related product manuals