EasyManua.ls Logo

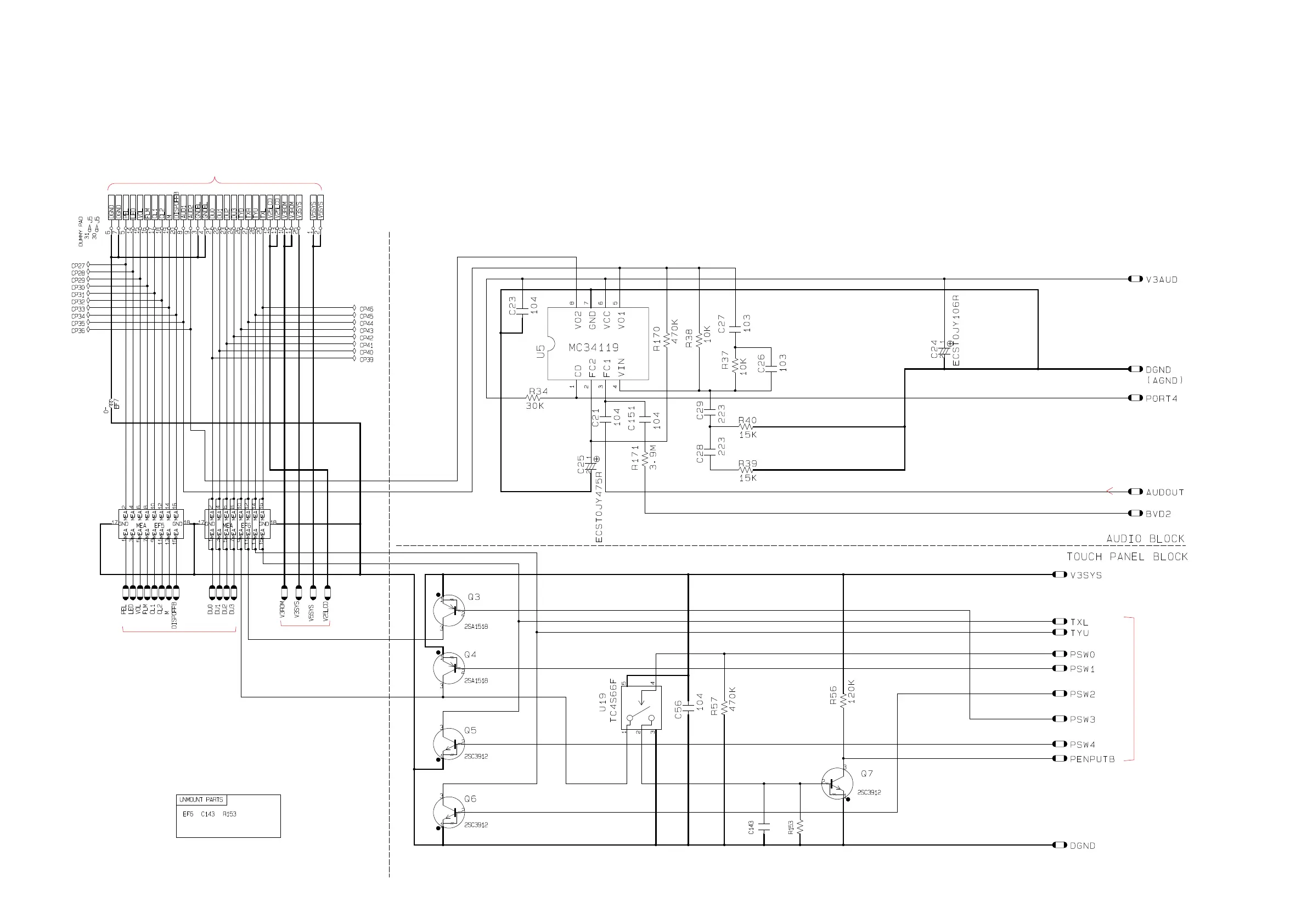
Casio A-10 - Z305-1 Pcb 4;7 (Audio, Touch Panel)

Casio A-10
87 pages
Print Icon
To Next Page IconTo Next Page
To Next Page IconTo Next Page
To Previous Page IconTo Previous Page
To Previous Page IconTo Previous Page
Loading...
— 66 —
Power Supply
Mute Signal from CPU
SYSTEM LSI
PCMCIA CARD
10 bit D/A output
For Dial Pulse
From SYSTEM LSI
Audio Amp.
To Display Unit
J5
From SYSTEM LSI
From Power Supply
Z305-1 PCB 4/7 (AUDIO, TOUCH PANEL)

Table of Contents

Related product manuals