EasyManua.ls Logo

Casio A-10 - Z305-1 Pcb 7;7 (Detector)

Casio A-10
87 pages
Print Icon
To Next Page IconTo Next Page
To Next Page IconTo Next Page
To Previous Page IconTo Previous Page
To Previous Page IconTo Previous Page
Loading...
— 69 —
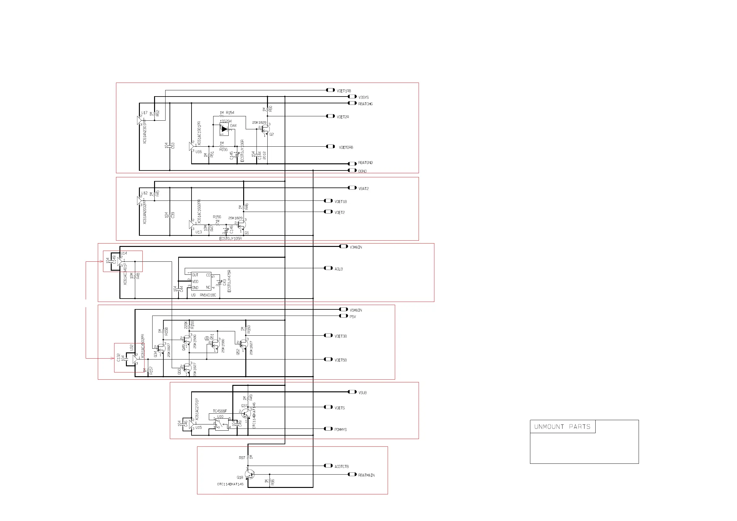
2.3 V
2.0 V
3.4 V
ACL Detector
Low Battery Message
Low Battery Message
Low Battery Message
Forced off
Forced off
Forced off
ACL Signal to SYSTEM LSI
4.5 V
2.7 V
1.9 V
1.6 V
For NiMH (Primary Detector)
For Alkaline Battery (Primary Detector)
For Backup Battery
AC Adapter Detector
For both Alkaline and NiMH (Secondary Detector)
For both Alkaline and NiMH (Secondary Detector)
OR
Z305-1 PCB 7/7 (DETECTOR)

Table of Contents

Related product manuals