EasyManua.ls Logo

Casio FE-700 MEX - Head Drive Circuit for Printer

Casio FE-700 MEX
64 pages
Print Icon
To Next Page IconTo Next Page
To Next Page IconTo Next Page
To Previous Page IconTo Previous Page
To Previous Page IconTo Previous Page
Loading...
15
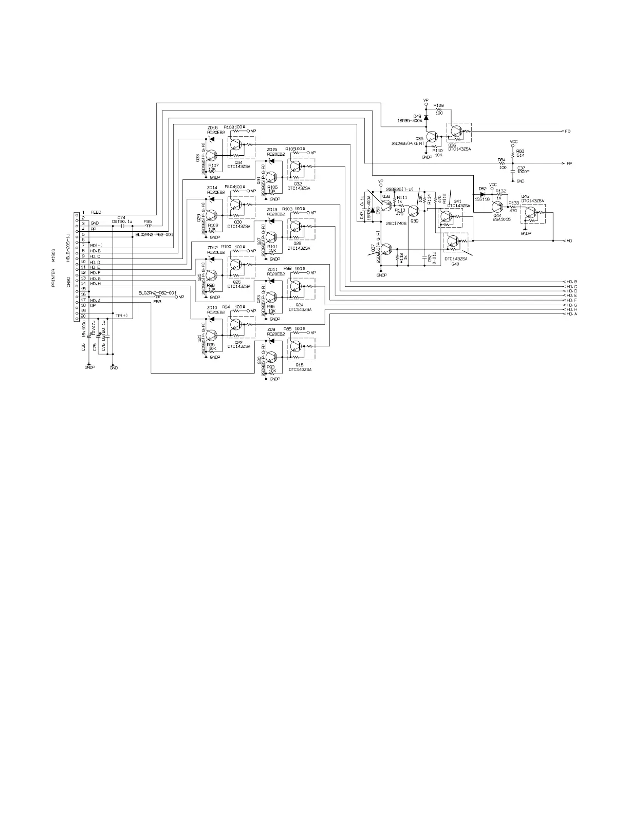
6-9. Head drive circuit for printer
Motor drive circuit
Normally, the transistor of motor drive circuit is followng condition.
TR1,TR2,TR5 : OFF
TR3, TR4 : ON
MD(-) signal : VP level
When the CPU want to rotate the motor, CPU change the MD signal to "High" from "Low".
Then, TR1,TR2 and TR5 are become ON and MD(-) signal is become GND level,
and then motor is rotated.
Head drive circuit
When the CPU wants to print, CPU send "High" signal from HD.A ~ HD.H terminal.
This signal goes to printer unit, and then print.
RP : Reset pulse from printer
DP : Dot pulse from printer
TR1
TR2
TR4
TR3
TR5

Table of Contents

Related product manuals