EasyManua.ls Logo

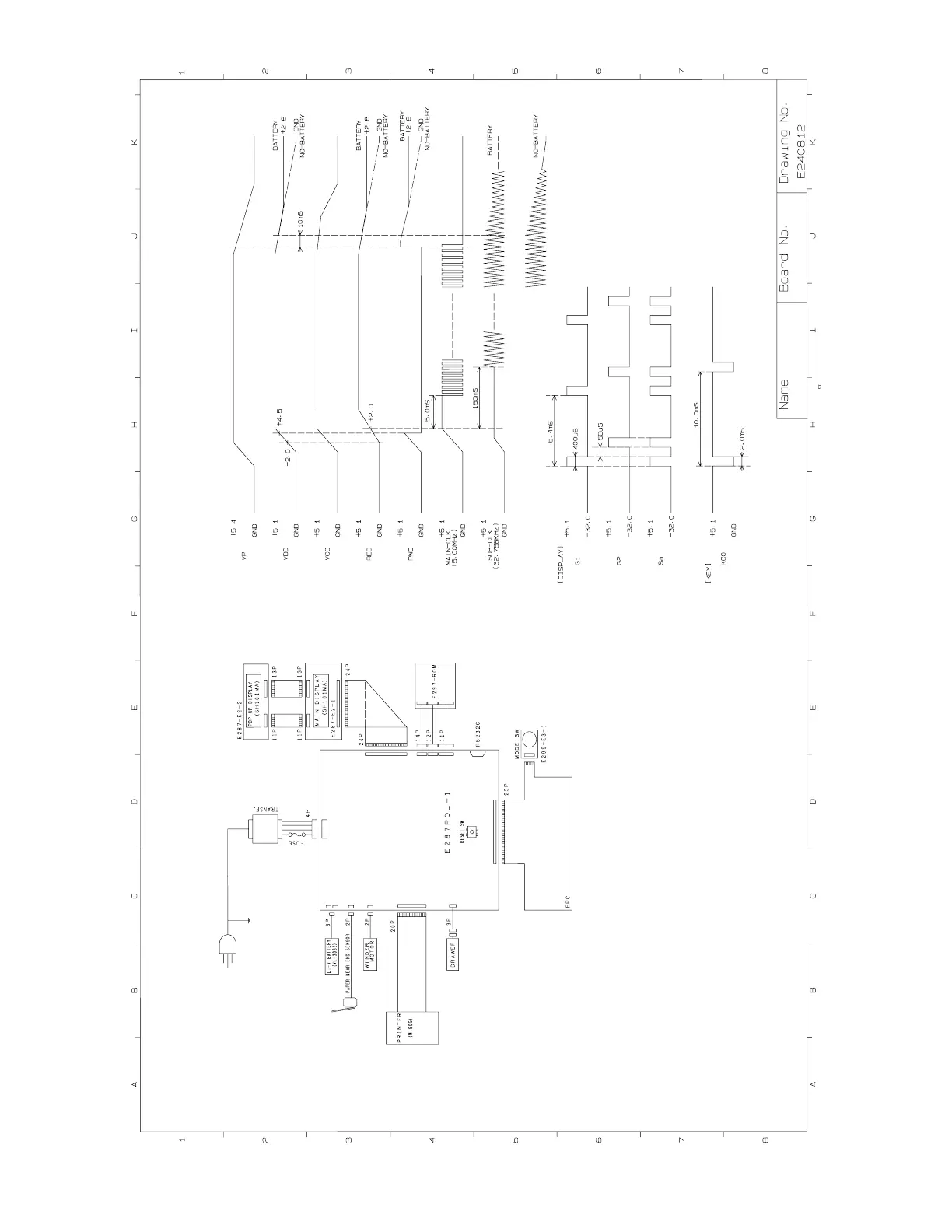
Casio FE-700 MEX - 1 Location of Printed Circuit Board

Casio FE-700 MEX
64 pages
Print Icon
To Next Page IconTo Next Page
To Next Page IconTo Next Page
To Previous Page IconTo Previous Page
To Previous Page IconTo Previous Page
Loading...
— 34 —
FE-700
TE-287MX-E1D

Table of Contents

Related product manuals