EasyManua.ls Logo

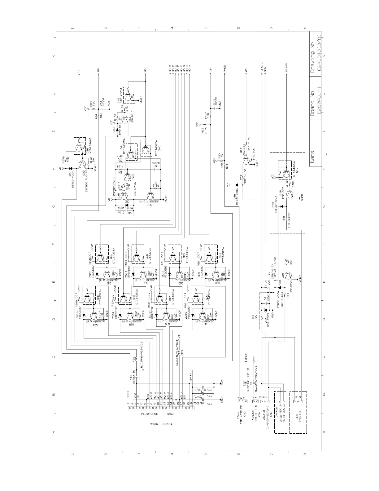
Casio FE-700 MEX - Main Pcb Circuit (3;8)

Casio FE-700 MEX
64 pages
Print Icon
To Next Page IconTo Next Page
To Next Page IconTo Next Page
To Previous Page IconTo Previous Page
To Previous Page IconTo Previous Page
Loading...
37

Table of Contents

Related product manuals