EasyManua.ls Logo

Challenge EH-3D - Two-Hand Control Kit

Challenge EH-3D
52 pages
Print Icon
To Next Page IconTo Next Page
To Next Page IconTo Next Page
To Previous Page IconTo Previous Page
To Previous Page IconTo Previous Page
Loading...
7.0 Accessories for Challenge Paper Drilling Machine
21
50-stop gage, 1/4” centers
Custom patterns can also be supplied, call for details.
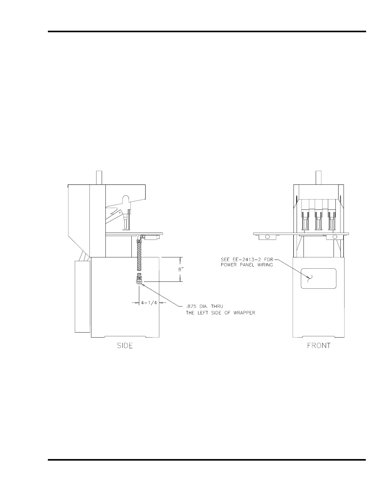
7.9 Two-Hand Control Kit
Cat. No. A-4851-52
This 2-hand control safety kit can be installed on the EH-3D in place of the standard foot pedal
control. All of the necessary hardware and instructions are included in the kit. The 2-hand control
offers anti-tie-down and anti-repeat features, which means both buttons must be released between
each cycle, and both buttons must be pressed within .5 seconds of each other. (See Figure 16)
Figure 16

Table of Contents

Related product manuals