EasyManua.ls Logo

Challenge EH-3D - 8.4 Drill Head Replacement

Challenge EH-3D
52 pages
Print Icon
To Next Page IconTo Next Page
To Next Page IconTo Next Page
To Previous Page IconTo Previous Page
To Previous Page IconTo Previous Page
Loading...
8.0 Maintenance Guide
27
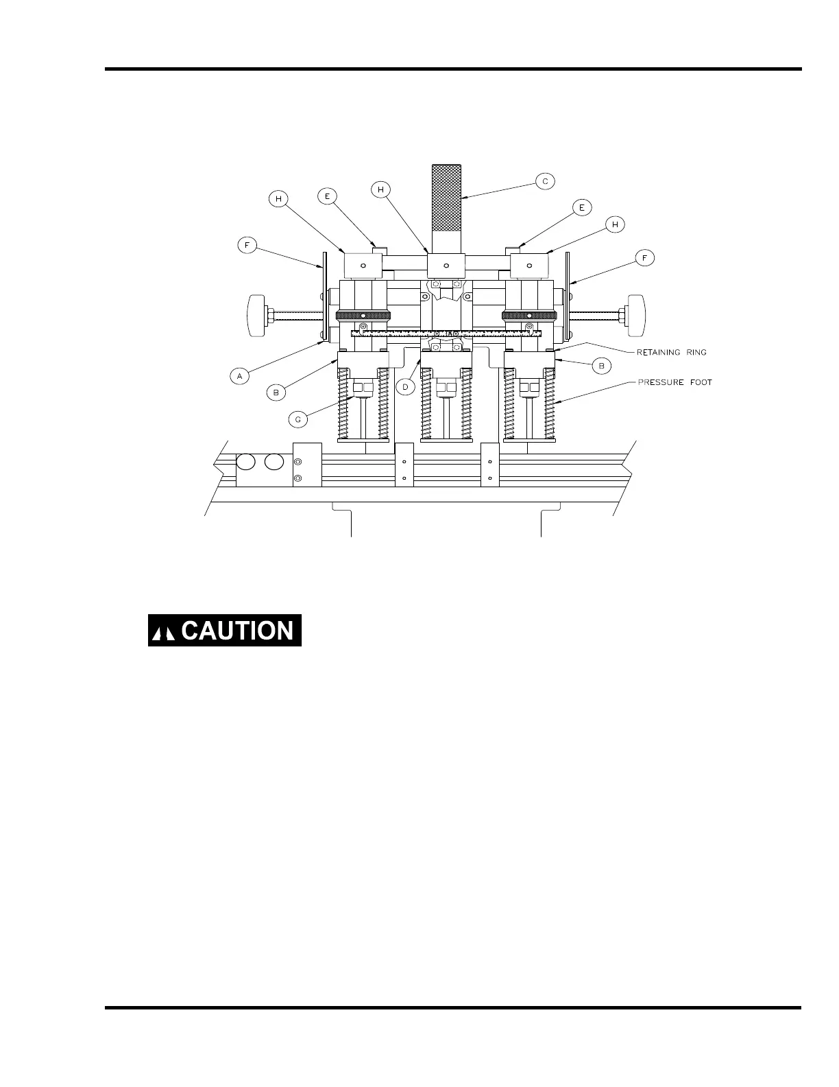
8.4 Drill Head Replacement
Figure 19
Always disconnect the power when cleaning, servicing, or lubricating your
drill, see Lock Out Procedures, page 5.
Through normal use, bearings will wear and need replacing. Signs of wear are excessive noise, heat,
or loose spindles.
Replacement Procedure:
1. Remove cover.
2. Remove belt.
3. Remove chip pan assembly.
8.4.1 Side Head Bearing Replacement
1. Remove end plate “A” and shield “F” from shaft.
2. Slide head off shafts.
3. Remove chip chute “B” from head.
4. Remove pulley “H” from spindle.
5. Tap spindle “G” out from head.
6. Tap out bearings (must use rod from opposite end of each bearing).
7. Tap the upper bearing (S-706) in place using a piece of wood between the hammer and the
bearing (an old drill block works fine).

Table of Contents

Related product manuals