EasyManua.ls Logo

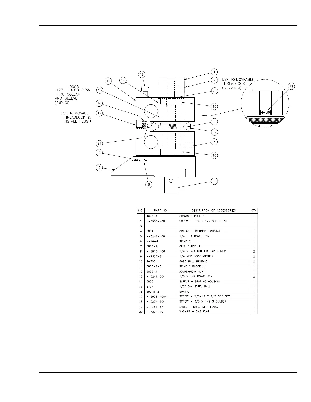
Challenge EH-3D - Spindle Block Assembly A-5862-1-6 R Rev. B

Challenge EH-3D
52 pages
Print Icon
To Next Page IconTo Next Page
To Next Page IconTo Next Page
To Previous Page IconTo Previous Page
To Previous Page IconTo Previous Page
Loading...
9.0 Parts Lists & Schematics
51
9.16 L.H. Spindle Block Assembly A-5862-1-6R Rev. B

Table of Contents

Related product manuals