EasyManua.ls Logo

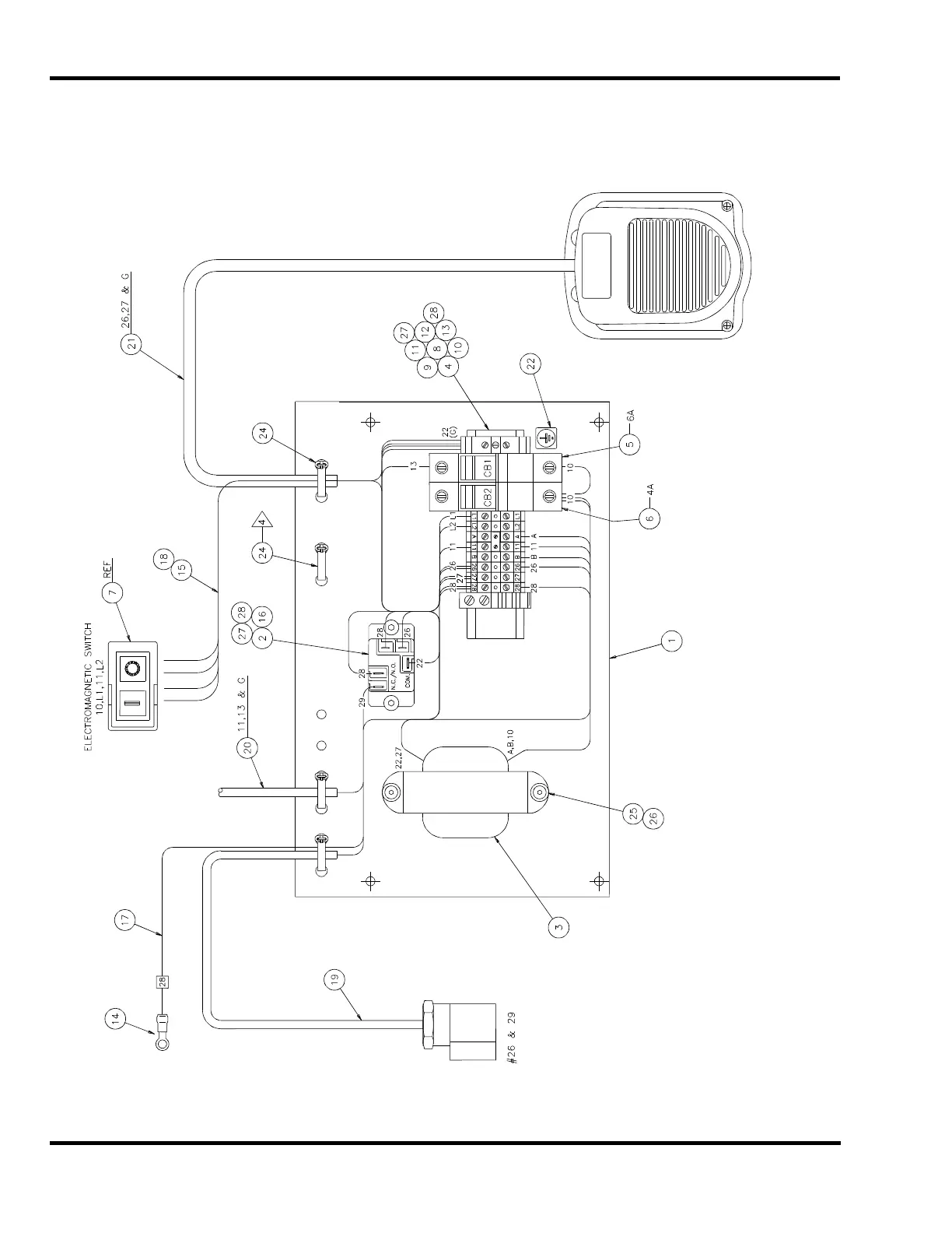
Challenge EH-3D - Power Panel Assembly - Wiring Detail - EE-3256 Rev. C

Challenge EH-3D
52 pages
Print Icon
To Next Page IconTo Next Page
To Next Page IconTo Next Page
To Previous Page IconTo Previous Page
To Previous Page IconTo Previous Page
Loading...
9.0 Parts Lists & Schematics
42
9.10 Power Panel Assembly Wiring Detail EE-3256 Rev. C
S/N 105487 and Below

Table of Contents

Related product manuals