EasyManua.ls Logo

Challenge EH-3D - 9 Parts Lists & Schematics; Main Assembly - Front View - A-5846-10 Sht. 1 of 5 Rev. a

Challenge EH-3D
52 pages
Print Icon
To Next Page IconTo Next Page
To Next Page IconTo Next Page
To Previous Page IconTo Previous Page
To Previous Page IconTo Previous Page
Loading...
9.0 Parts Lists & Schematics
30
9.0 Parts Lists & Schematics
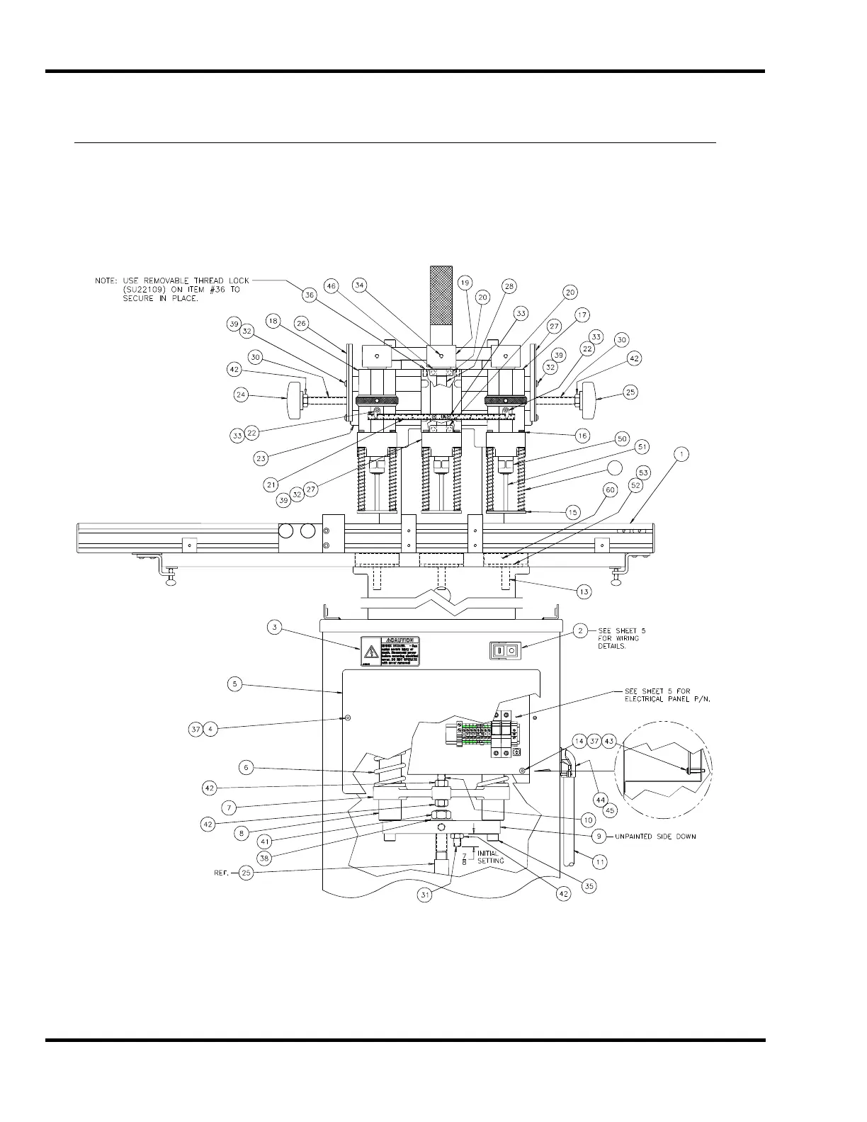
9.1 Main Assembly Front View A-5846-10 Sh’t. 1 of 5 Rev. A
S/N 085279 to 105487
12

Table of Contents

Related product manuals