EasyManua.ls Logo

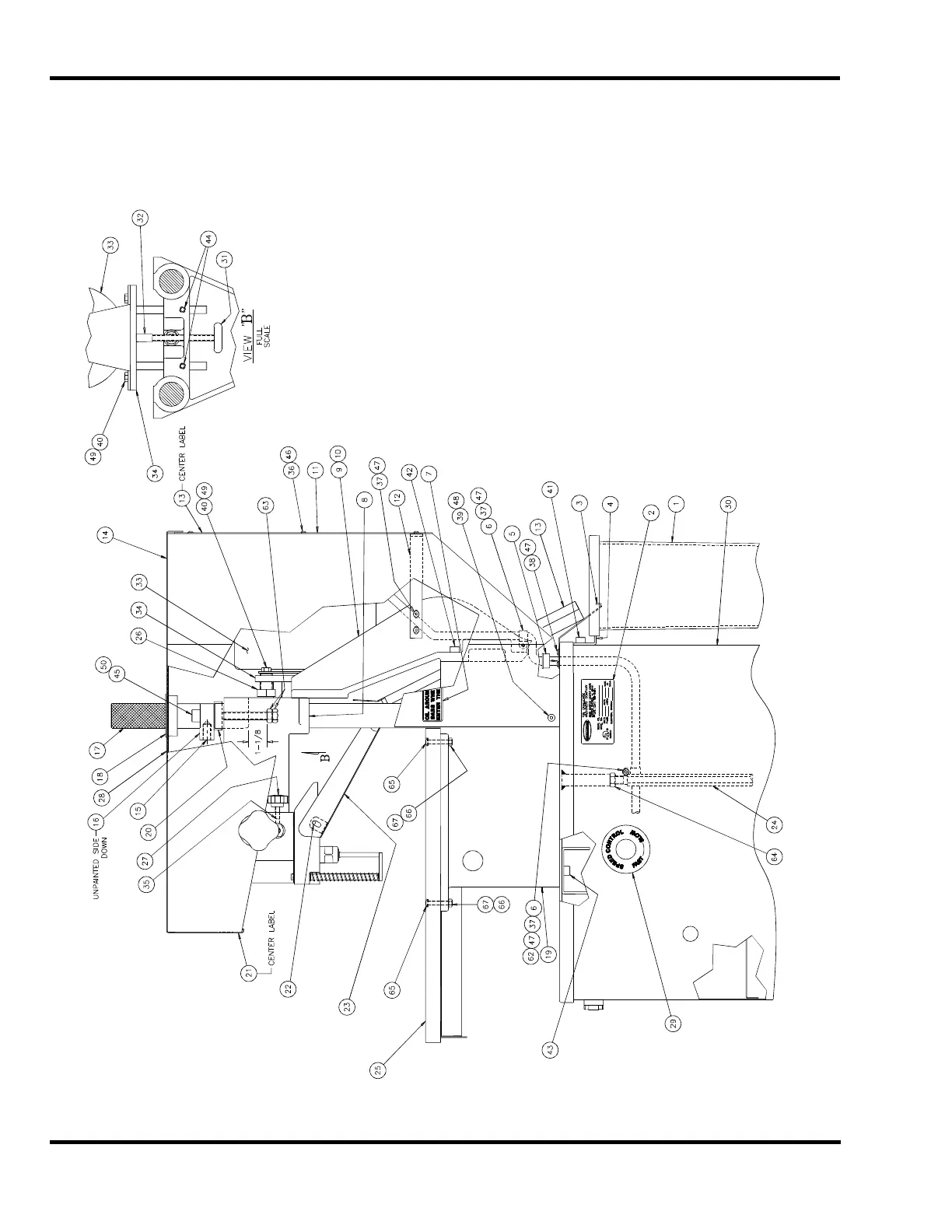
Challenge EH-3D - Main Assembly - Upper Right View - A-5846-10 Sht. 2 of 5 Rev. a

Challenge EH-3D
52 pages
Print Icon
To Next Page IconTo Next Page
To Next Page IconTo Next Page
To Previous Page IconTo Previous Page
To Previous Page IconTo Previous Page
Loading...
9.0 Parts Lists & Schematics
34
9.3 Main Assembly Upper Right View A-5846-10 Sh’t. 2 of 5 Rev. A
REV “C”

Table of Contents

Related product manuals