EasyManua.ls Logo

Chamberlain SL600 - REPAIR PARTS; Component Identification

Chamberlain SL600
56 pages
Print Icon
To Next Page IconTo Next Page
To Next Page IconTo Next Page
To Previous Page IconTo Previous Page
To Previous Page IconTo Previous Page
Loading...
27
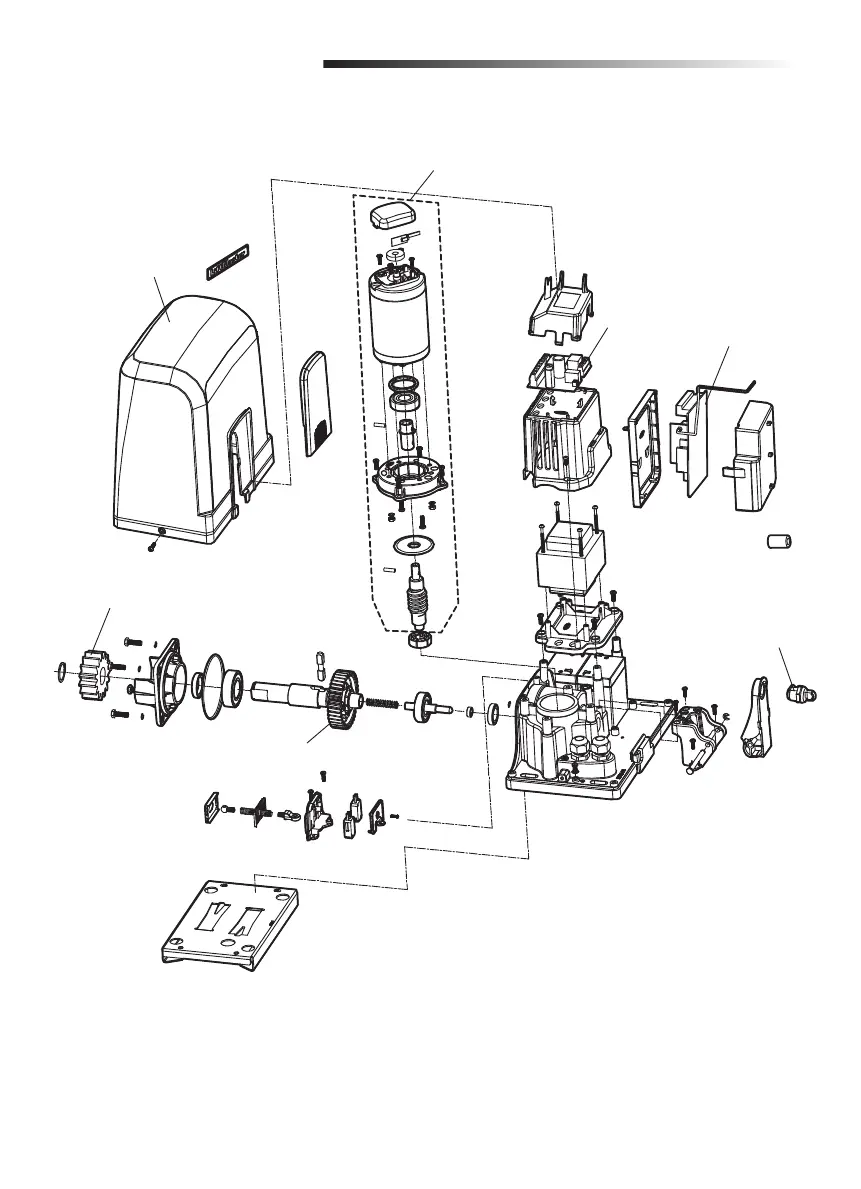
REPAIR PARTS
K130026 (Model SL600)
K130046 (Model SL1000)
Motor Assembly
K320440
Replacement Key
and Tumbler
K210504
Worm Gear Plastic
K320174
Output Gear
K210720 (Model SL600)
K210794 (Model SL1000)
Operator Cover and
Access Door
K140364
Control Board
K140368
Power Board

Table of Contents

Related product manuals