EasyManua.ls Logo

CHART ULTRADOSER 2K - Page 65

CHART ULTRADOSER 2K
66 pages
Print Icon
To Next Page IconTo Next Page
To Next Page IconTo Next Page
To Previous Page IconTo Previous Page
To Previous Page IconTo Previous Page
Loading...
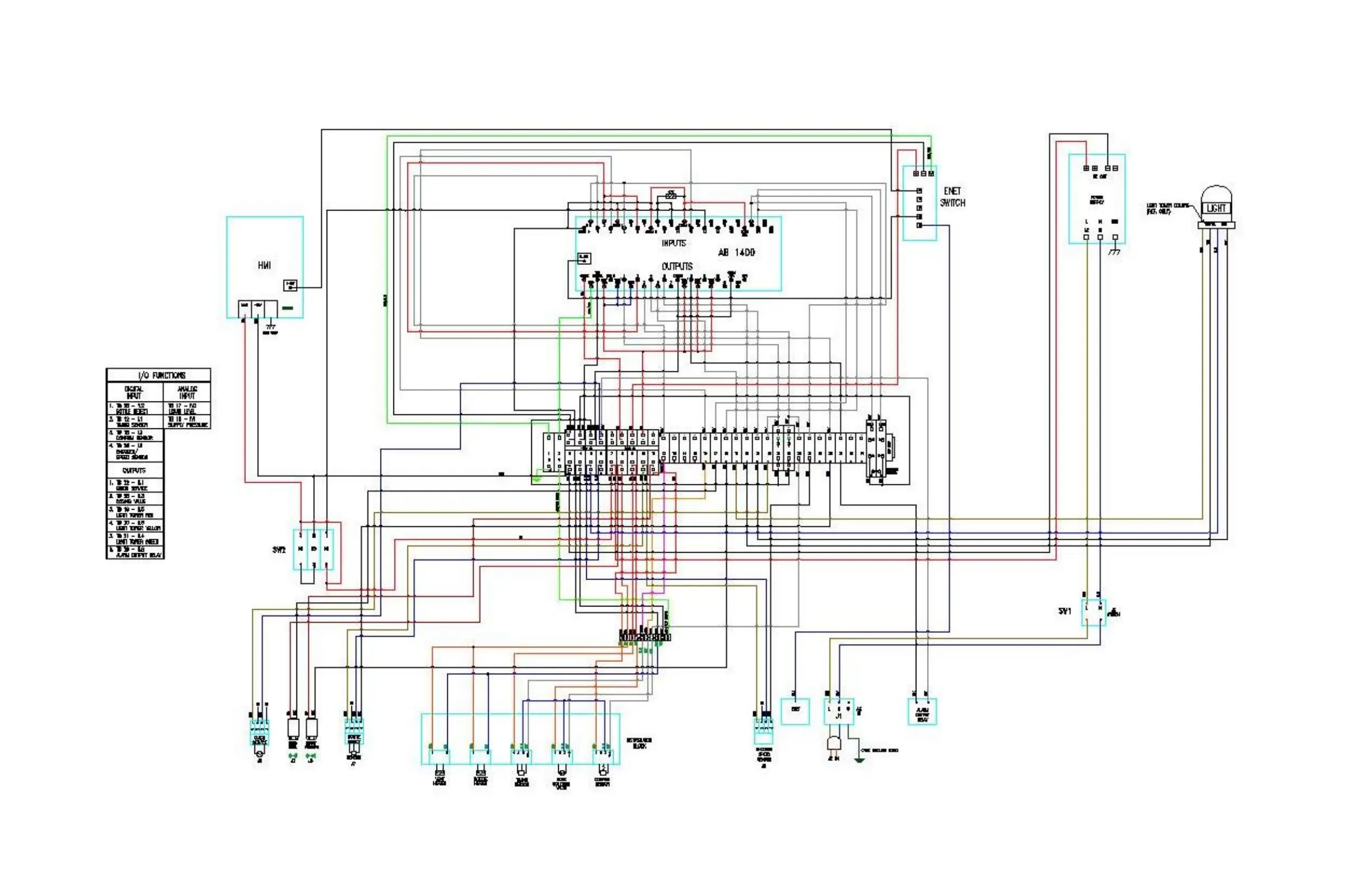
Appendix B 2KA (Allen Bradley) Controller Wiring Diagram

Related product manuals