EasyManua.ls Logo

CHART ULTRADOSER 2K - Page 66

CHART ULTRADOSER 2K
66 pages
Print Icon
To Previous Page IconTo Previous Page
To Previous Page IconTo Previous Page
Loading...
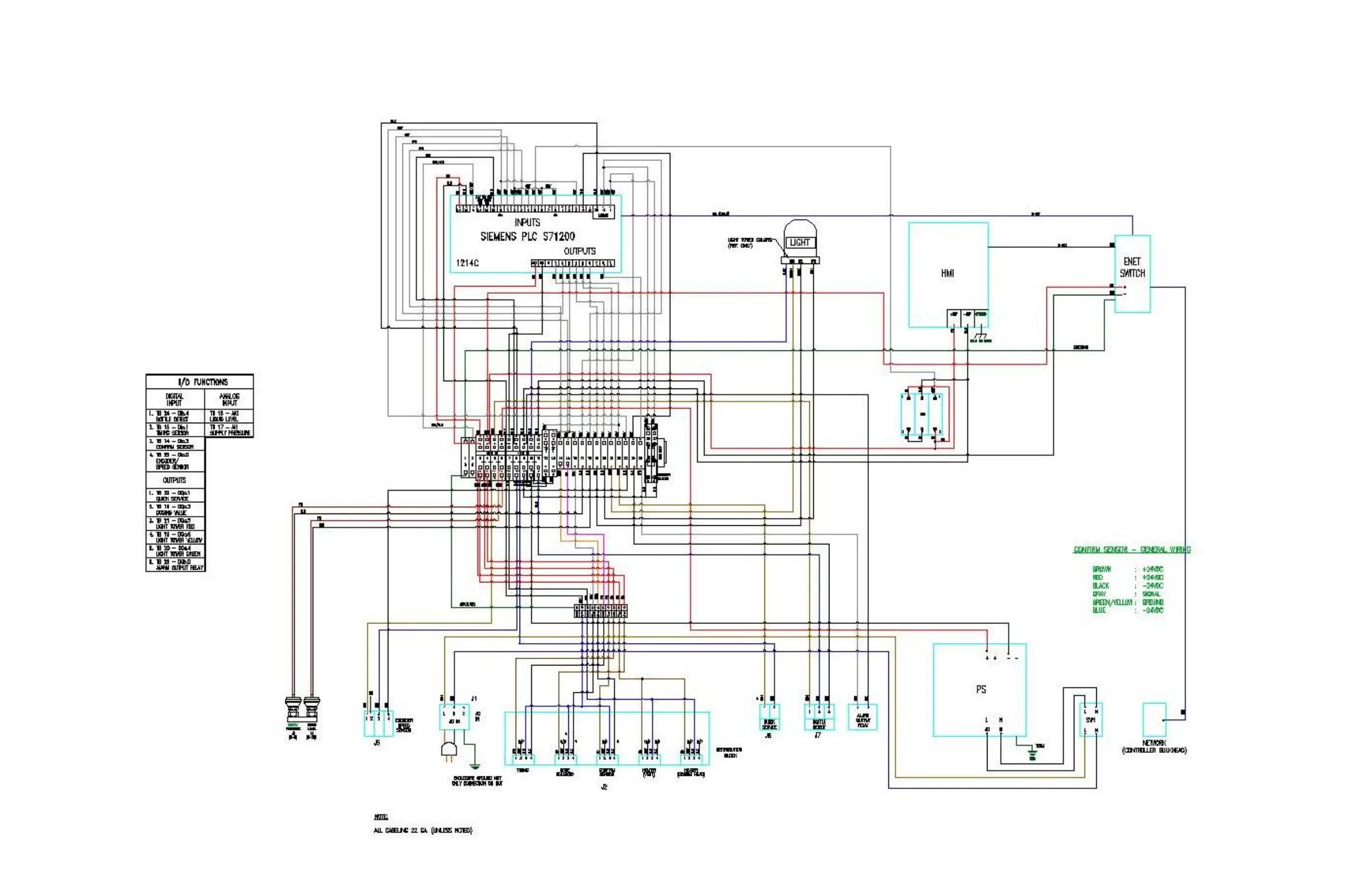
Appendix C 2KS (Siemens) Controller Wiring Diagram

Related product manuals