EasyManua.ls Logo

Claas LINER 3000 - CORTO 8100 T Hydraulic System Details

Claas LINER 3000
130 pages
Print Icon
To Next Page IconTo Next Page
To Next Page IconTo Next Page
To Previous Page IconTo Previous Page
To Previous Page IconTo Previous Page
Loading...
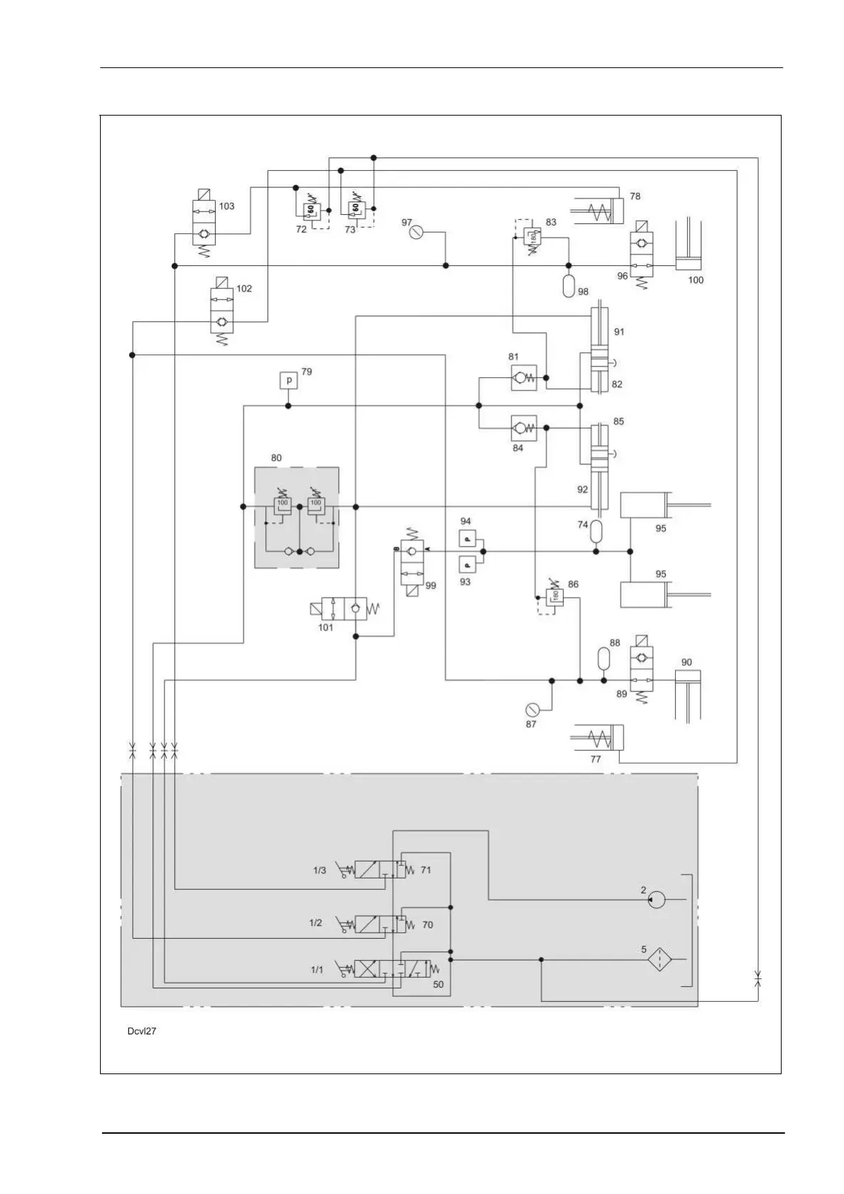
TIC CORTO 8100 F/T Hydraulic / Electric System
10/04 3-11
CORTO 8100 T

Table of Contents

Related product manuals