EasyManua.ls Logo

Clarke Vantage 17 E - Page 88

Clarke Vantage 17 E
92 pages
Print Icon
To Next Page IconTo Next Page
To Next Page IconTo Next Page
To Previous Page IconTo Previous Page
To Previous Page IconTo Previous Page
Loading...
PARTSLIST
86 VANTAGE 17 E - 9098653000 07/2012
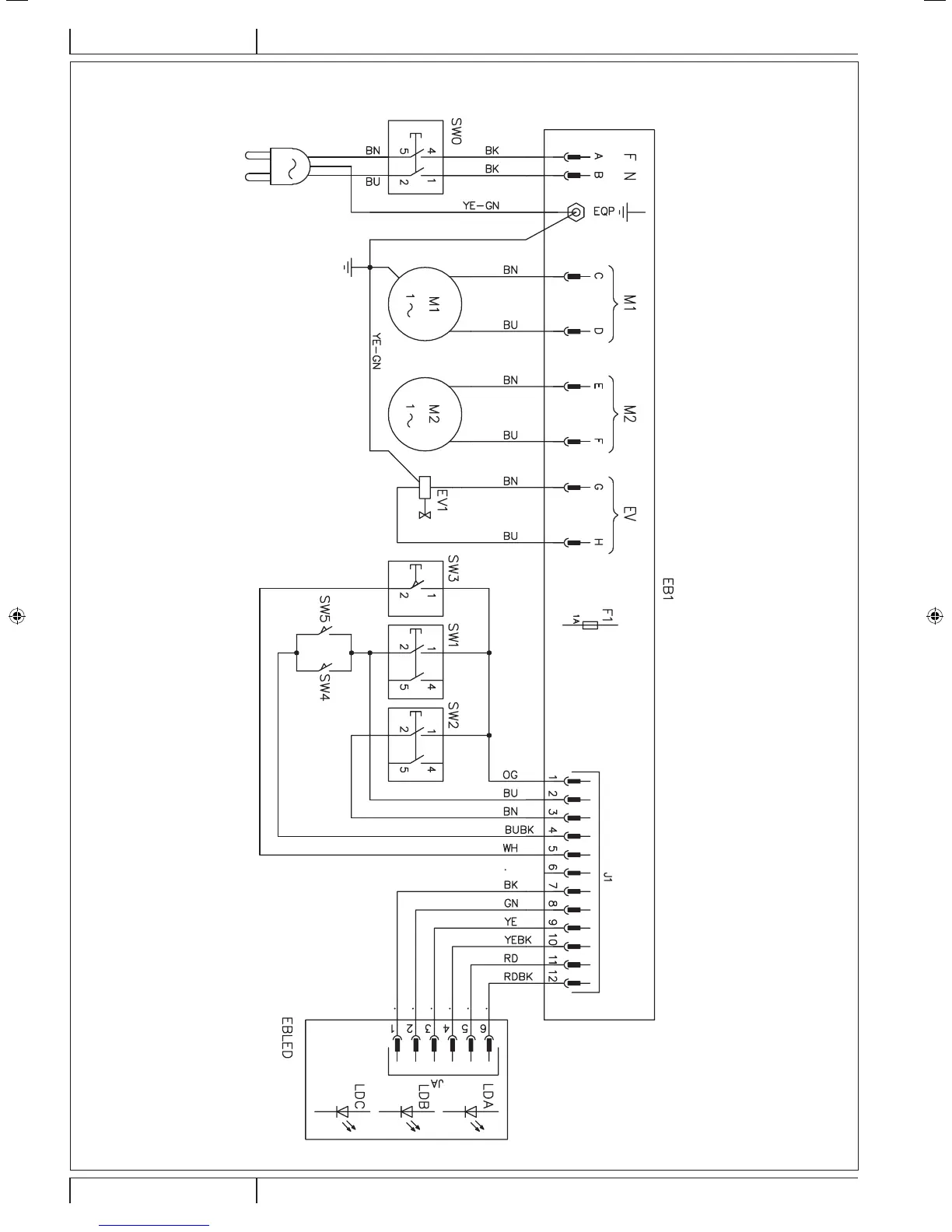
WIRINGDIAGRAM
A4 D5IIC CLARKE 9099653000(1).indd 86 26-Jul-12 11:05:09

Table of Contents

Related product manuals