EasyManua.ls Logo

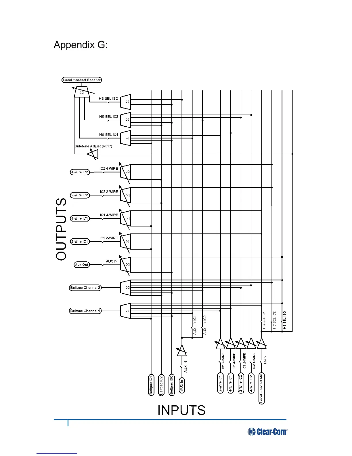
Clear-Com HME DX210 - Audio Routing Diagram

Clear-Com HME DX210
43 pages
Print Icon
To Next Page IconTo Next Page
To Next Page IconTo Next Page
To Previous Page IconTo Previous Page
To Previous Page IconTo Previous Page
Loading...
31
Clear-Com HME DX210 Operating Instructions
Audio Routing Diagram

Related product manuals