EasyManua.ls Logo

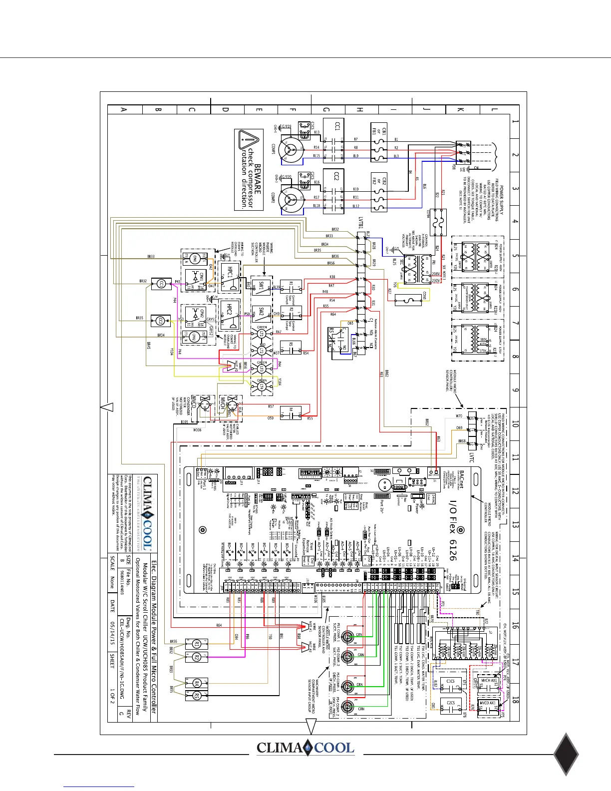
ClimaCool UCW 30 - Wiring Diagrams - 085 Heat Pump

ClimaCool UCW 30
72 pages
Print Icon
To Next Page IconTo Next Page
To Next Page IconTo Next Page
To Previous Page IconTo Previous Page
To Previous Page IconTo Previous Page
Loading...
59
®
www.climacoolcorp.com
Wiring Diagrams - 085 - Cooling Only