EasyManua.ls Logo

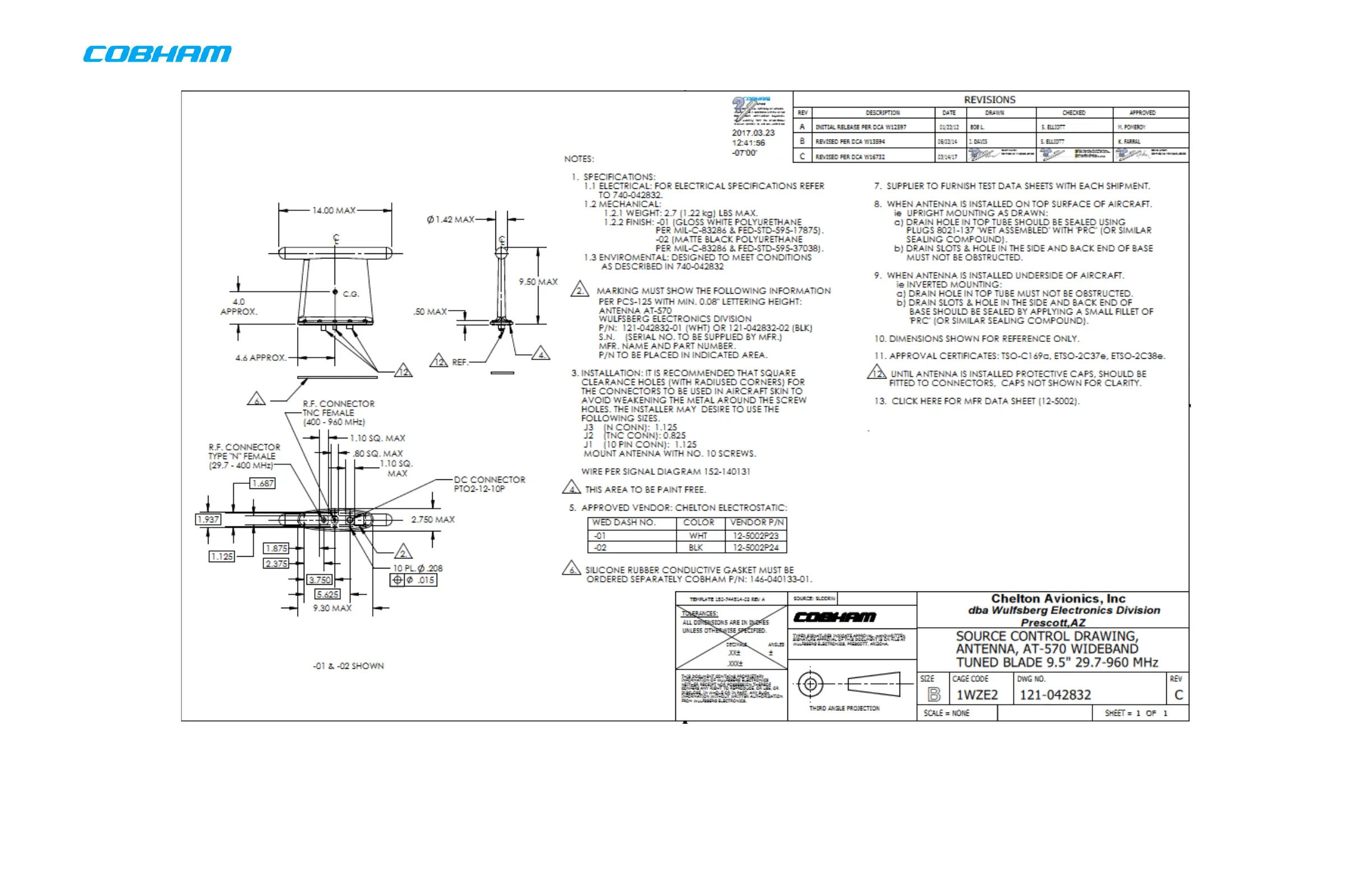
COBHAM RT-7000 RCDU - Figure 6-7: AT-570 Antenna Envelope Drawing (Sheet 1 of 1) (Dwg No. 121-042832, Rev. C)

COBHAM RT-7000 RCDU
138 pages
Print Icon
To Next Page IconTo Next Page
To Next Page IconTo Next Page
To Previous Page IconTo Previous Page
To Previous Page IconTo Previous Page
Loading...
150-071724 Rev N
This document contains proprietary information,
see proprietary statement on first page.
Page 50 of 138
Figure 6-7: AT-570 Antenna Envelope Drawing (Sheet 1 of 1) (Dwg No. 121-042832, Rev. C)
These commodities, technology or software are controlled in accordance with the United States Export Administration Regulations, Export Classification
Control Number (ECCN) EAR99. When exporting, diversion contrary to U.S. law is prohibited.

Table of Contents

Related product manuals