EasyManua.ls Logo

Cognex In-Sight 1721 - Mount the Wafer Reader; Figure 3-3: Working Distances in Vertical and Horizontal Mounting Configurations

Cognex In-Sight 1721
56 pages
Print Icon
To Next Page IconTo Next Page
To Next Page IconTo Next Page
To Previous Page IconTo Previous Page
To Previous Page IconTo Previous Page
Loading...
Installing In-Sight
®
1720 Series Wafer Readers
13
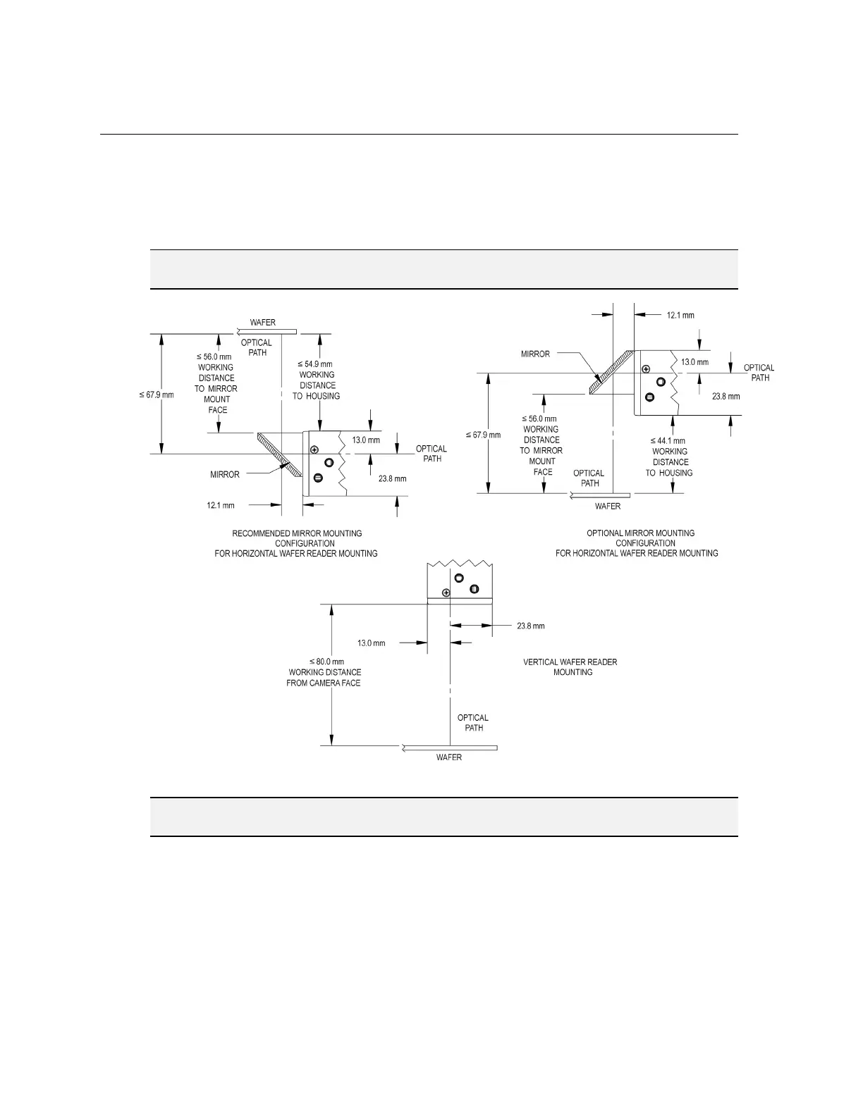
3.3 Mount the Wafer Reader
The working distance is adjustable, with a factory-set option of 50.0mm when vertically
mounted. The useable working distance range is 1 to 80.0mm for the wafer reader in the
vertical position.
NOTE The Image Orientation may need to be adjusted, depending on the configuration of the wafer reader and
the mirror attachment installation. For more information, refer to the In-Sight
®
Explorer Help file.
Figure 3-3: Working Distances in Vertical and Horizontal Mounting Configurations
NOTE The wafer reader can be mounted face-up or face-down in both horizontal mirror mounting
configurations.

Table of Contents

Related product manuals