EasyManua.ls Logo

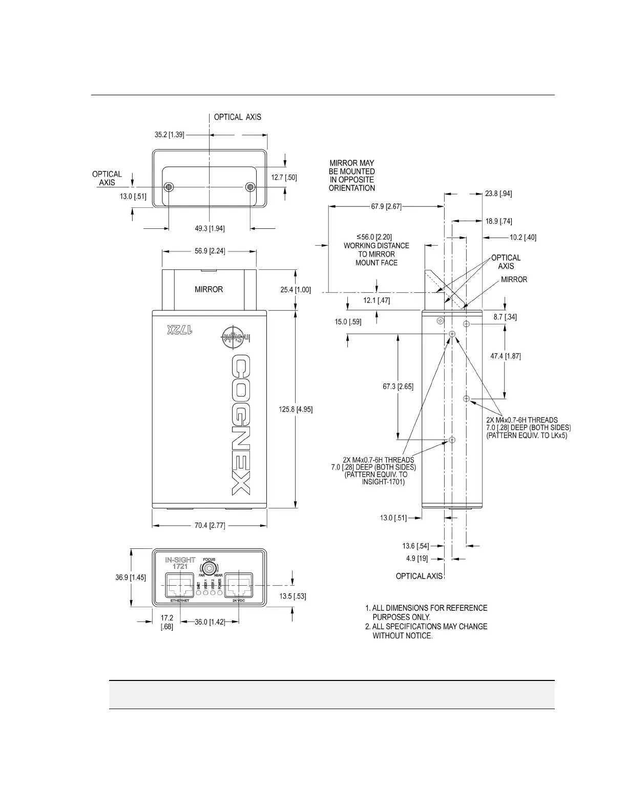
Cognex In-Sight 1721 - Figure 5-4: In-Sight 1720 Series Wafer Reader Dimensions with Horizontal Mirror Mount

Cognex In-Sight 1721
56 pages
Print Icon
To Next Page IconTo Next Page
To Next Page IconTo Next Page
To Previous Page IconTo Previous Page
To Previous Page IconTo Previous Page
Loading...
Specifications
38
Figure 5-4: In-Sight 1720 Series Wafer Reader Dimensions with Horizontal Mirror Mount
(Recommended Horizontal Configuration)
CAUTION The wafer reader must be mounted from only one side. Mounting the wafer reader from both sides may
damage optical components. The maximum torque is 1.5 N-m (13.5 in-lb).

Table of Contents

Related product manuals