EasyManua.ls Logo

Control Techniques M'Ax 406 - Menu 2 Parameters

Control Techniques M'Ax 406
116 pages
Print Icon
To Next Page IconTo Next Page
To Next Page IconTo Next Page
To Previous Page IconTo Previous Page
To Previous Page IconTo Previous Page
Loading...
*
56 M’Ax User Guide
Issue Number: 4
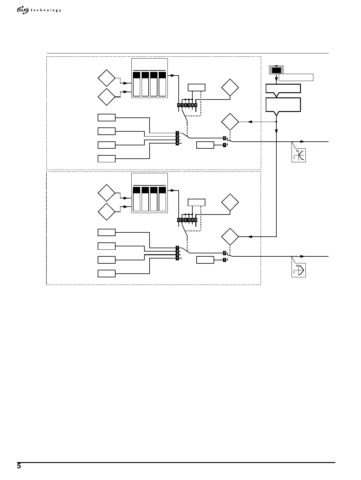
9.2 Menu 2 parameters
Ramp selection
Software diagram for Menu 2
2.11Acceleration rate 1
2.12
Jog
acceleration
rate
Jog selected
indicator
Acceleration rate 2
Acceleration rate 3
Acceleration rate 4
1.13
2.33
Acceleration-rate
select bit-1 indicator
2.32
Acceleration-rate
select bit-0 indicator
2.13
2.14
2.19
Acceleration
rate selector
1.50
Preset-reference
selected indicator
2.10
0101
0011
1234
Acceleration
rate
2.21Deceleration rate 1
2.22
Jog
deceleration
rate
Jog selected
indicator
Deceleration rate 2
Deceleration rate 3
Deceleration rate 4
1.13
2.36
Deceleration-rate
select bit-1 indicator
2.35
Deceleration-rate
select bit-0 indicator
2.23
2.24
2.29
Deceleration
rate selector
1.50
Preset-reference
selected indicator
2.20
0101
0011
1234
Deceleration
rate
Sequencer
(Menu 6)
Menu 8
Digital input 3
8
DIGITAL I/O

Table of Contents

Related product manuals