EasyManua.ls Logo

Corghi ProLine 60 - Page 87

Corghi ProLine 60
Print Icon
To Next Page IconTo Next Page
To Next Page IconTo Next Page
To Previous Page IconTo Previous Page
To Previous Page IconTo Previous Page
Loading...
ProLine 60 - Manuel d'utilisation 87
F
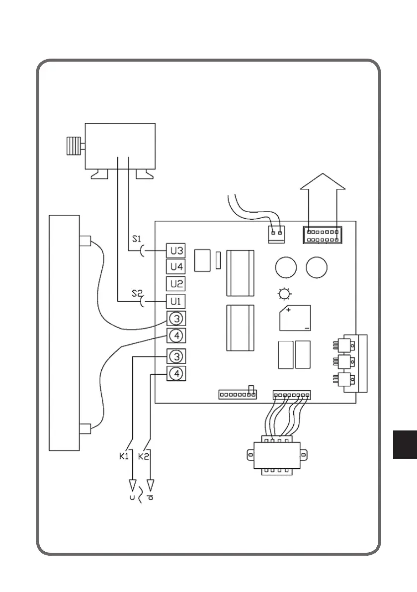
11. SCHÉMA GÉNÉRAL DE L'INSTALLATION ÉLECTRIQUE
MOTEUR
INTERRUPTEUR
DE COURSE
VERS CPU
PUISSANCE
TRANSFORMATEUR
RÉSISTANCE DE FREINAGE
FUSIBLE
FUSIBLE

Table of Contents

Related product manuals